EasyManua.ls Logo

Keyestudio ESP32 - 3. Wiring Diagram

Keyestudio ESP32
344 pages
Print Icon
To Next Page IconTo Next Page
To Next Page IconTo Next Page
To Previous Page IconTo Previous Page
To Previous Page IconTo Previous Page
Loading...
ESP32 Starter Kit
2. Working Principle
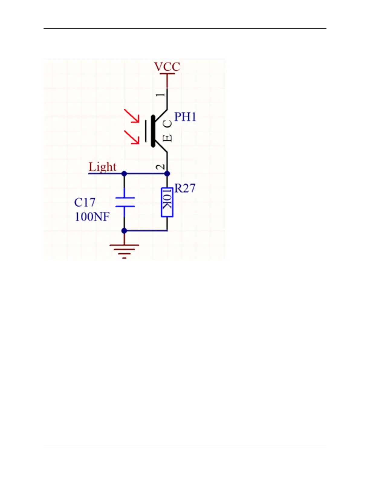
Essentially, potentiometer is an element that can change the value of resistance. According to Ohm’s law(U=I*R), the
resistance affects the voltage. Our potentiometer is 10K.
In this project, the maximum resistance is 10K. The ESP32 board will equally divide the voltage of 3V into 4095 parts
(3/4095=0.0007326007326). The analog voltage is obtained by multiplying the read value and 0.0007326007326.
9.2. Scratch Project 269

Table of Contents