EasyManua.ls Logo

Keyestudio ESP32 - 3. Wiring Diagram

Keyestudio ESP32
344 pages
Print Icon
To Next Page IconTo Next Page
To Next Page IconTo Next Page
To Previous Page IconTo Previous Page
To Previous Page IconTo Previous Page
Loading...
ESP32 Starter Kit
2. Working Principle
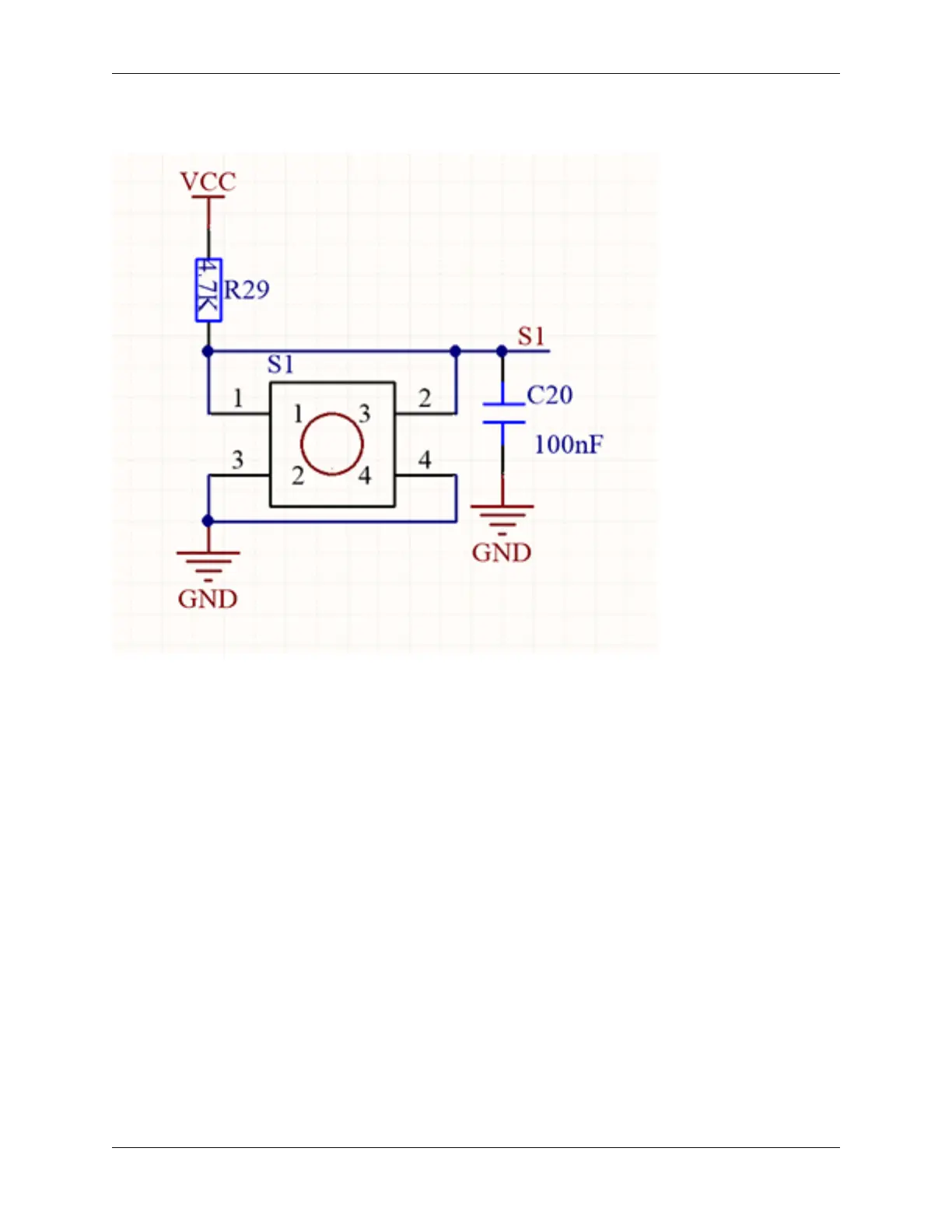
When the button is released, a voltage VCC passing through R29 provides a high level for S terminal. When pressed,
pin 1 and 3, pin 2 and 4 are connected and voltage on S1 arrives GND as a low level. At this moment, R29 avoids a
short circuit between VCC and GND.
9.2. Scratch Project 227

Table of Contents