EasyManua.ls Logo

Keyestudio ESP32 - 2. Working Principle; 3. Wiring Diagram

Keyestudio ESP32
344 pages
Print Icon
To Next Page IconTo Next Page
To Next Page IconTo Next Page
To Previous Page IconTo Previous Page
To Previous Page IconTo Previous Page
Loading...
ESP32 Starter Kit
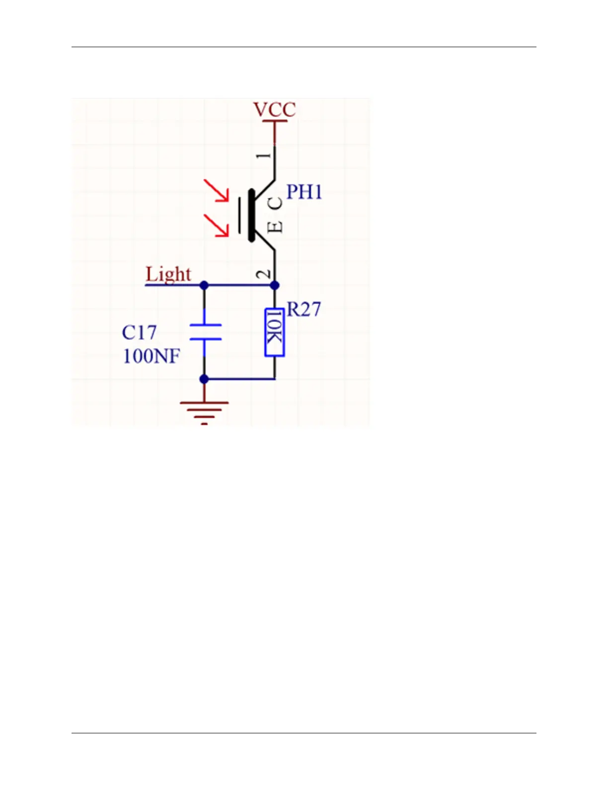
2. Working Principle
When it is totally in dark, the resistance equals 0.2M, and the voltage at signal terminal (point 2) approaches to 0V. The
stronger the light is , the smaller the resistance and voltage will be.
274 Chapter 9. Scratch Tutorial

Table of Contents