EasyManua.ls Logo

Keyestudio ESP32 - Project 13: Mini Lamp; 1. Description; 2. Working Principle

Keyestudio ESP32
344 pages
Print Icon
To Next Page IconTo Next Page
To Next Page IconTo Next Page
To Previous Page IconTo Previous Page
To Previous Page IconTo Previous Page
Loading...
ESP32 Starter Kit
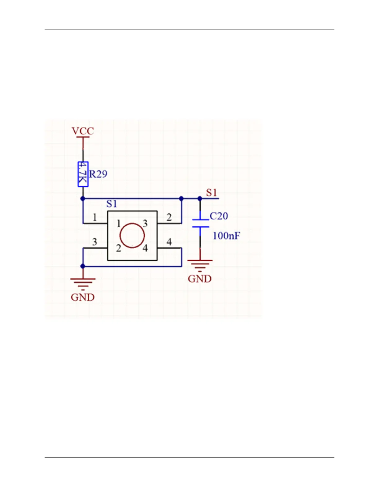
8.5.14 Project 13: Mini Lamp
1. Description
In this project, we are going to control a lamp via Arduino UNO and a button. When we press the button, the state of
the lamp will shift(ON or OFF).
2. Working Principle
When the button is released, a voltage VCC passing through R29 provides a high level for S terminal. When pressed,
pin 1 and 3, pin 2 and 4 are connected and voltage on S1 arrives GND as a low level. At this moment, R29 avoids a
short circuit between VCC and GND.
8.5. Arduino Project 87

Table of Contents