EasyManua.ls Logo

Kubota 07-CR-E5 - AVAILABLE DATA MONITOR SIGNALS

Kubota 07-CR-E5
373 pages
Print Icon
To Next Page IconTo Next Page
To Next Page IconTo Next Page
To Previous Page IconTo Previous Page
To Previous Page IconTo Previous Page
Loading...
COMMON RAIL SYSTEM
07-CR-E5,07-CR-TE5,07-CR-TIE5, DM
1-M8
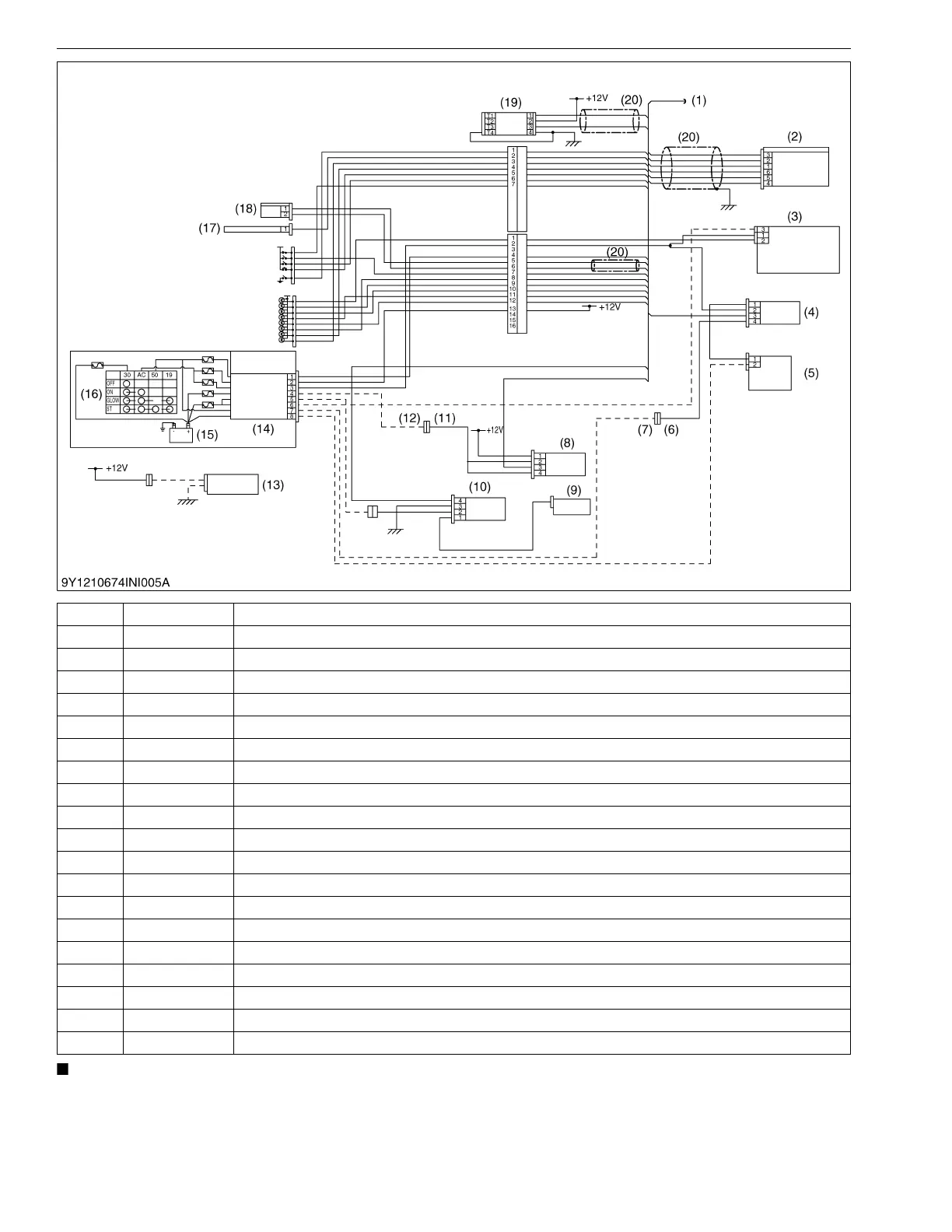
NOTE
The picture shows the pin arrangement of the connector housing viewed from wire side, not mating side.
9Y3200007CRM0008US0
(1) Power Unit
(2) CN401 Accel Sensor
(3) CN402 Alternator
(4) CN403 Starter Relay
(5) CN404 Starter
(6) CN405 Connector
(7) CN406 Connector
(8) CN413 Main Relay
(9) Glow Plug
(10) CN416 Glow Relay
(11) CN414 Connector
(12) CN415 Connector
(13) Fuel Feed Pump
(14) Battery Unit
(15) Battery
(16) Key Switch
(17) Speed Sensor
(18) CAN for Vehicle
(19) CN407 / 408 CAN Tool
(20) Shield Cable
KiSC issued 03, 2022 A

Table of Contents

Related product manuals