EasyManua.ls Logo

Kyocera KM-3050

Kyocera KM-3050
455 pages
To Next Page IconTo Next Page
To Next Page IconTo Next Page
To Previous Page IconTo Previous Page
To Previous Page IconTo Previous Page
Loading...
2GN/2GP/2GR-1
2-1-1
2-1 Mechanical construction
2-1-1 Paper feed section
The paper feed section consists of the primary feed and secondary feed subsections. Primary feed conveys paper from
the cassettes 1, 2 or MP tray to the left and right registration rollers, at which point secondary feed takes place and the
paper travels to the transfer section in sync with the printing timing.
Each cassette consists of a lift driven by the lift motor and other components. Each cassette can hold up to 500 sheets of
paper. Paper is fed from the cassette by the rotation of the forwarding pulley and paper feed pulley. The separation pulley
prevents multiple sheets from being fed at one time, via the torque limiter.
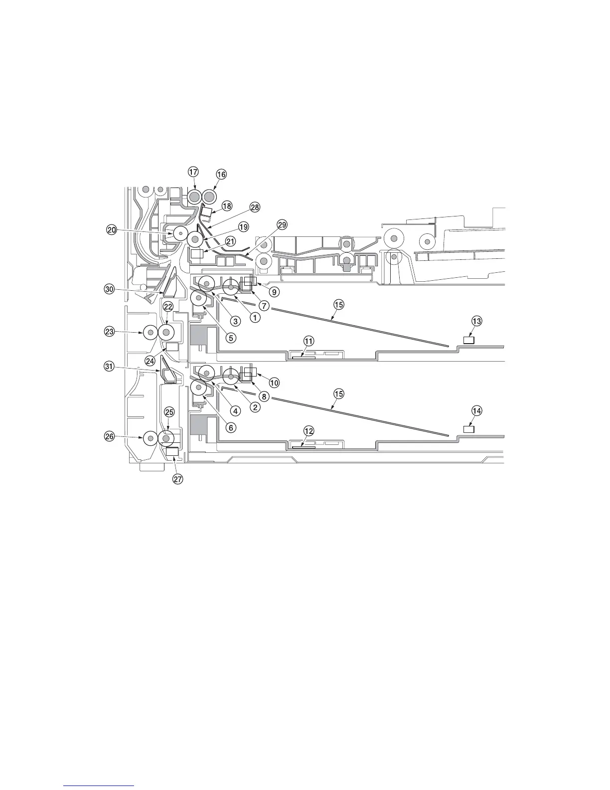
Figure 2-1-1 Paper feed from the cassettes 1 and 2
(1) Upper forwarding pulley
(2) Lower forwarding pulley
(3) Upper paper feed pulley
(4) Lower paper feed pulley
(5) Upper separation pulley
(6) Lower separation pulley
(7) Upper paper switch (PSW-U)
(8) Lower paper switch (PSW-L)
(9) Upper lift limit switch (LICSW-U)
(10) Lower lift limit switch (LICSW-L)
(11) Upper paper width switch (PWSW-U)
(12) Lower paper width switch (PWSW-L)
(13) Upper paper length switch (PLSW-U)
(14) Lower paper length switch (PLSW-L)
(15) Cassette lifts
(16) Right registration roller
(17) Left registration roller
(18) Registration switch (RSW)
(19) Feed roller 1
(20) Feed pulley
(21) Feed switch 1 (FSW1)
(22) Feed roller 2
(23) Feed pulley
(24) Feed switch 2 (FSW2)
(25) Feed roller 3
(26) Feed pulley
(27) Feed switch 3 (FSW3)
(28) Front registration guide
(29) Paper conveying guide
(30) Vertical paper conveying guide 1
(31) Vertical paper conveying guide 2

Table of Contents

Other manuals for Kyocera KM-3050

Related product manuals