EasyManua.ls Logo

Kyocera KM-3050

Kyocera KM-3050
455 pages
To Next Page IconTo Next Page
To Next Page IconTo Next Page
To Previous Page IconTo Previous Page
To Previous Page IconTo Previous Page
Loading...
2GN/2GP/2GR
2-1-5
2-1-3 Optical section
The optical section consists of the scanner, mirror frame and image scanning unit for scanning and the laser scanner unit
for printing.
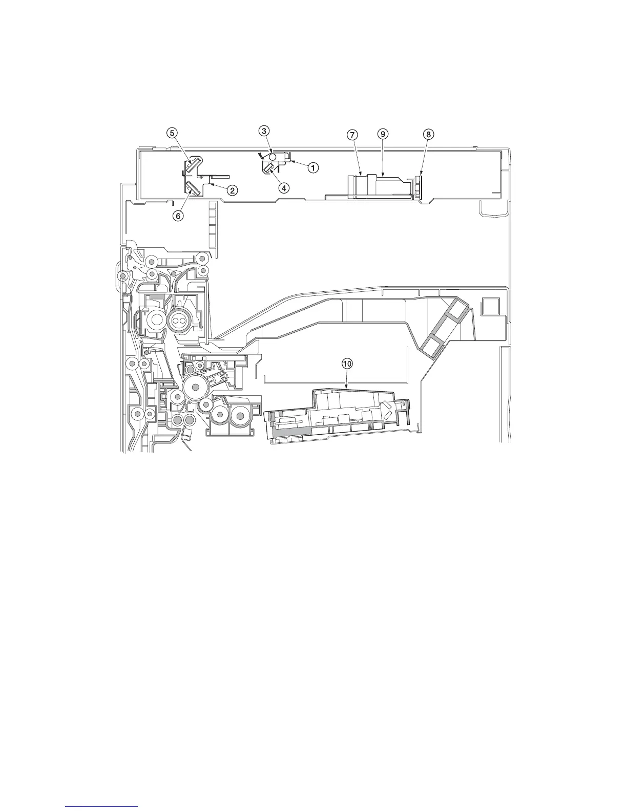
Figure 2-1-7 Optical section
(1) Mirror 1 frame
(2) Mirror 2 frame
(3) Exposure lamp (EL)
(4) Mirror 1
(5) Mirror 2
(6) Mirror 3
(7) Lens
(8) CCD PWB (CCDPWB)
(9) Image scanning unit
(10) Laser scanner unit (LSU)

Table of Contents

Other manuals for Kyocera KM-3050

Related product manuals