EasyManua.ls Logo

Maytag MDE25PN - Model 25 PD Gas Models; Model 25 PD Electric Models

Maytag MDE25PN
118 pages
Print Icon
To Next Page IconTo Next Page
To Next Page IconTo Next Page
To Previous Page IconTo Previous Page
To Previous Page IconTo Previous Page
Loading...
7-3
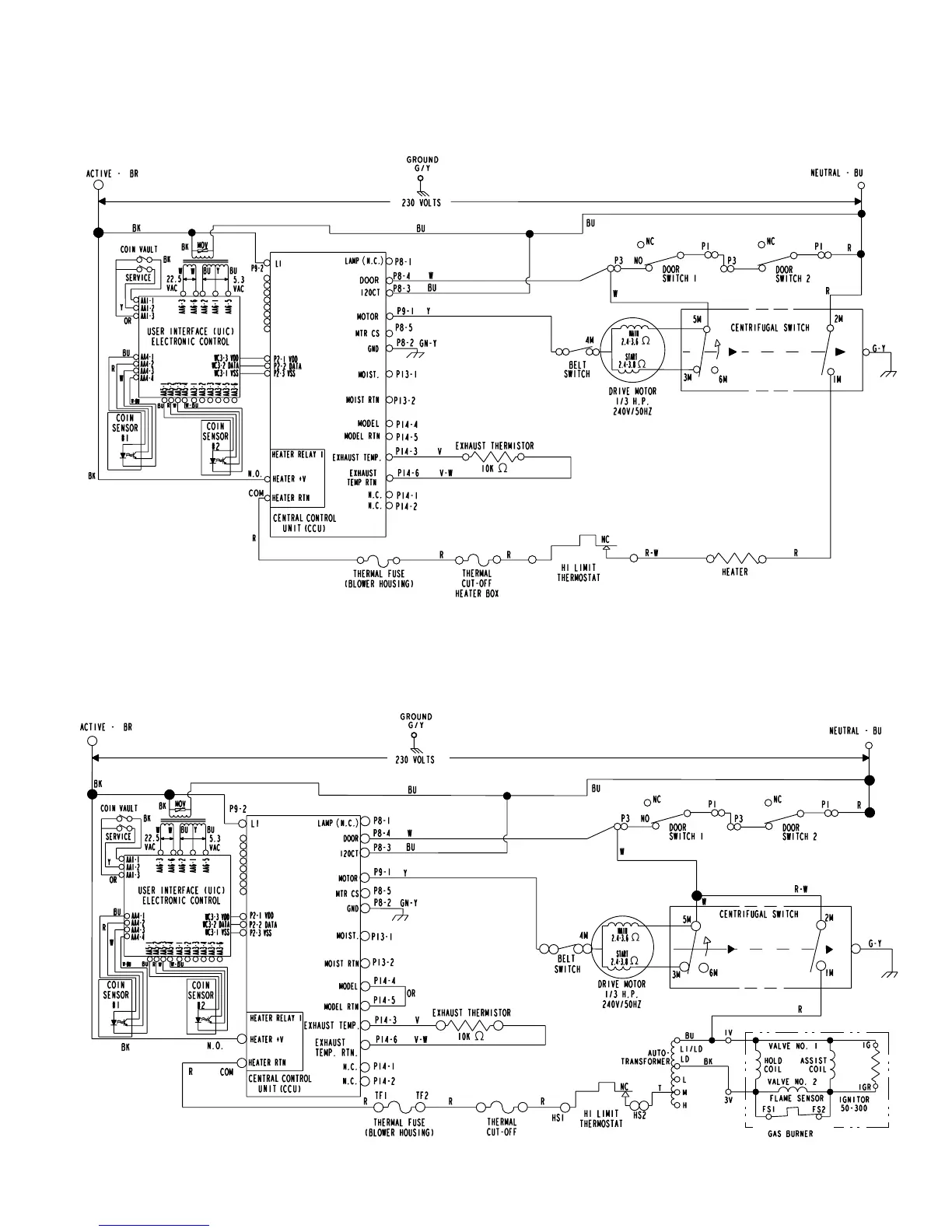
WIRING DIAGRAM – PD GAS MODELS



Table of Contents