EasyManua.ls Logo

Mazda CX-9 2007 - Page 240

Mazda CX-9 2007
614 pages
Print Icon
To Next Page IconTo Next Page
To Next Page IconTo Next Page
To Previous Page IconTo Previous Page
To Previous Page IconTo Previous Page
Loading...
AUTOMATIC TRANSAXLE [AW6A-EL, AW6AX-EL]
05-17–4
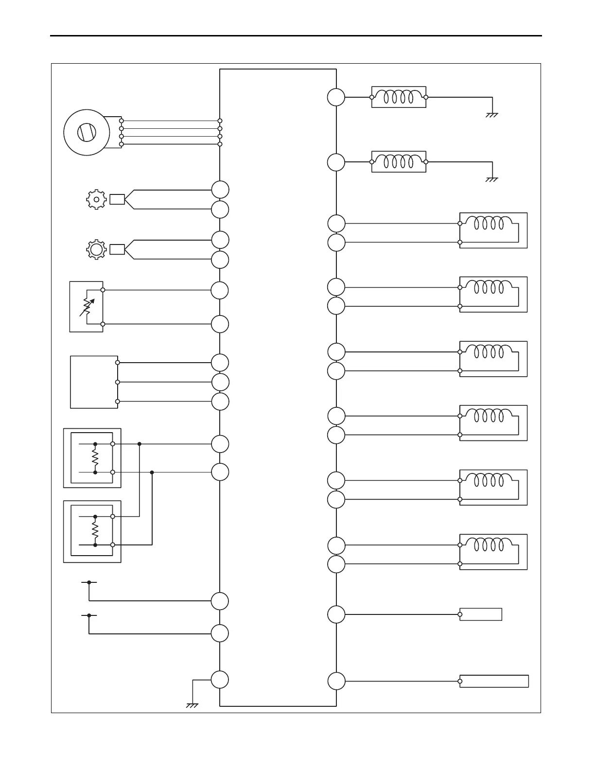
AUTOMATIC TRANSAXLE CONTROL SYSTEM WIRING DIAGRAM [AW6A-EL, AW6AX-EL]
id051723102000
TR SWITCH
(INTEGRATED IN TCM)
VEHICLE SPEED SENSOR
SHIFT SOLENOID A
TCC CONTROL
SOLENOID
LINE PRESSURE
CONTROL SOLENOID
PCM
BACK-UP LIGHT RELAY
INPUT/TURBINE SPEED
SENSOR
CAN
TFT SENSOR
M RANGE SWITCH
B20
B12
B13
B8
B2
B9
B4
B3
B1
B21
B16
B11
B10
B17
B18
B14
B22
B5
B7
A3
A4
A7
A6
A14
A1
A5
A13
A9
A11
TCM
CAN-H
CAN-L
GND
B19
UP SWITCH
DOWN SWITCH
OTHER MODULE
OTHER MODULE
IG1
B+
SHIFT SOLENOID C
SHIFT SOLENOID E
STARTER LOCK
SHIFT SOLENOID B
SHIFT SOLENOID D
SHIFT SOLENOID F
ac9uuw00002243
3423-1U-06H(05-17).fm 4 ペー   

Table of Contents