EasyManua.ls Logo

Ricoh Aficio MP C3001 - Original Size Sensors and Skew Correction Sensor

Ricoh Aficio MP C3001
1989 pages
To Next Page IconTo Next Page
To Next Page IconTo Next Page
To Previous Page IconTo Previous Page
To Previous Page IconTo Previous Page
Loading...
Electrical Components
D541 10 SM
1.3.4 ORIGINAL SIZE SENSORS AND SKEW CORRECTION
SENSOR
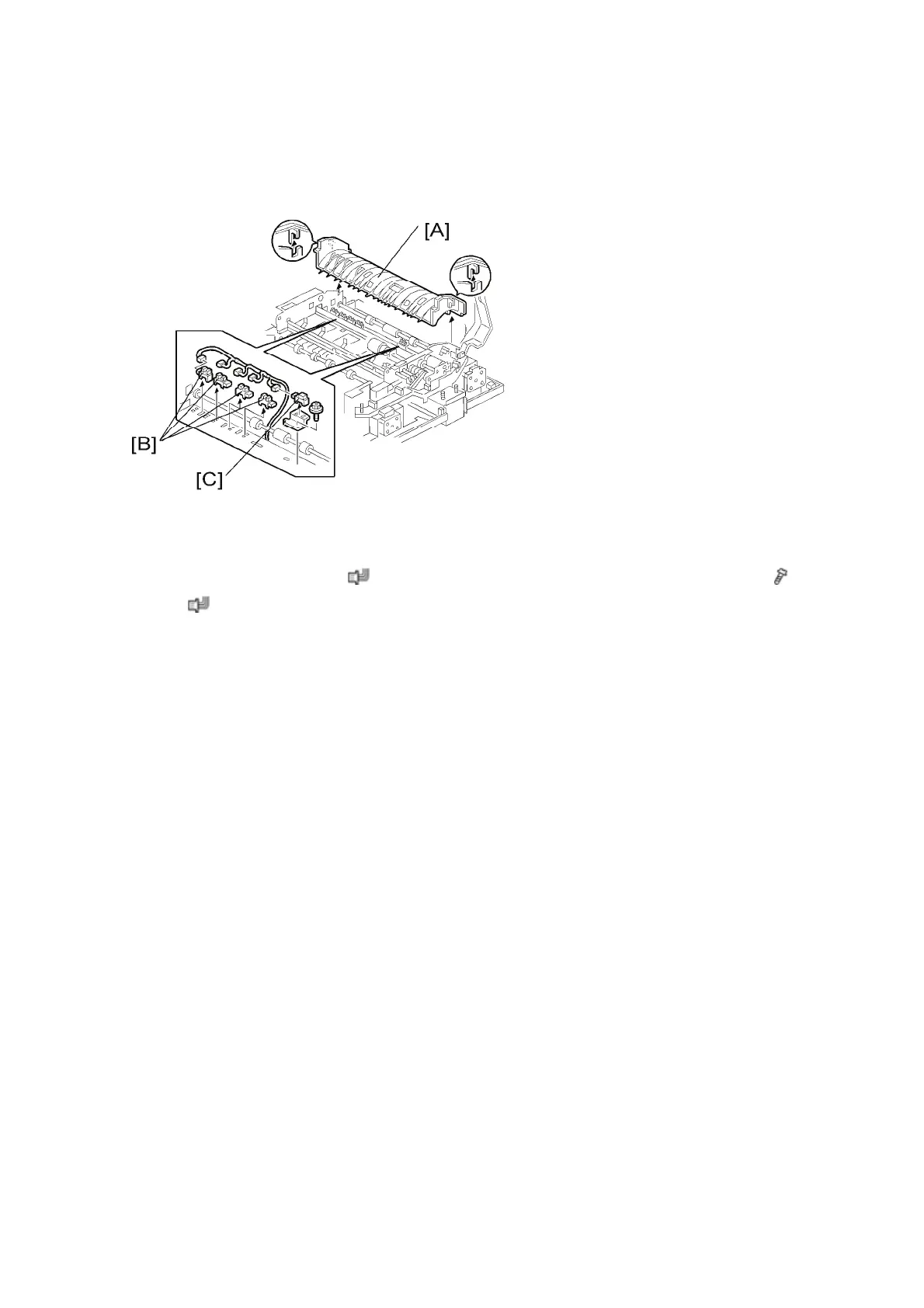
1. Original feed-in guide plate (see "Original Set Sensor")
2. Original turn guide plate [A] (hook x 1).
3. Original width sensors [B] (
x 1 each) and skew correction sensor [C] with bracket (
x 1,
x 1)

Table of Contents

Other manuals for Ricoh Aficio MP C3001

Related product manuals