EasyManua.ls Logo

Rockwell Automation Allen-Bradley PowerFlex 750 Series

Rockwell Automation Allen-Bradley PowerFlex 750 Series
352 pages
To Next Page IconTo Next Page
To Next Page IconTo Next Page
To Previous Page IconTo Previous Page
To Previous Page IconTo Previous Page
Loading...
Rockwell Automation Publication 750-TG100B-EN-P - June 2019 319
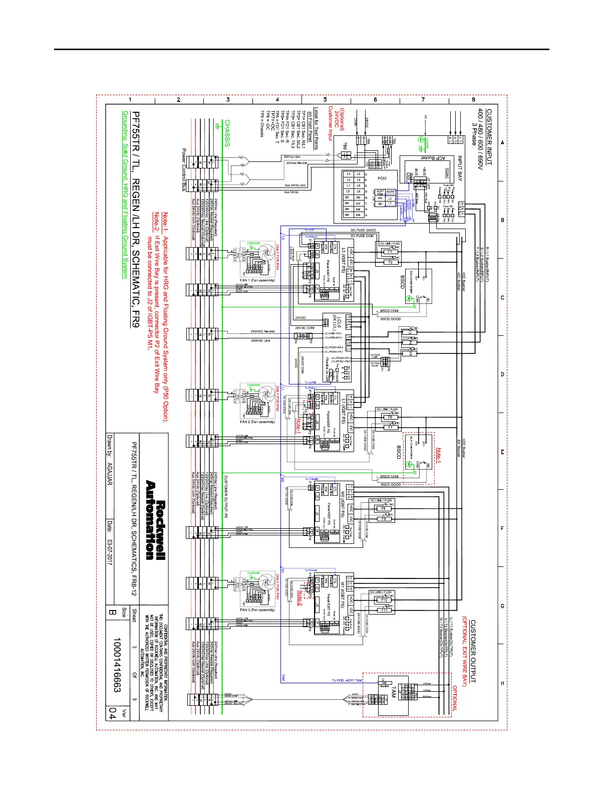
System Schematics Appendix A
Figure 42 - PowerFlex 755TM Frame 9 Regenerative Drive

Table of Contents

Other manuals for Rockwell Automation Allen-Bradley PowerFlex 750 Series

Related product manuals