EasyManua.ls Logo

Rockwell Automation Allen-Bradley PowerFlex 750 Series

Rockwell Automation Allen-Bradley PowerFlex 750 Series
352 pages
To Next Page IconTo Next Page
To Next Page IconTo Next Page
To Previous Page IconTo Previous Page
To Previous Page IconTo Previous Page
Loading...
Rockwell Automation Publication 750-TG100B-EN-P - June 2019 327
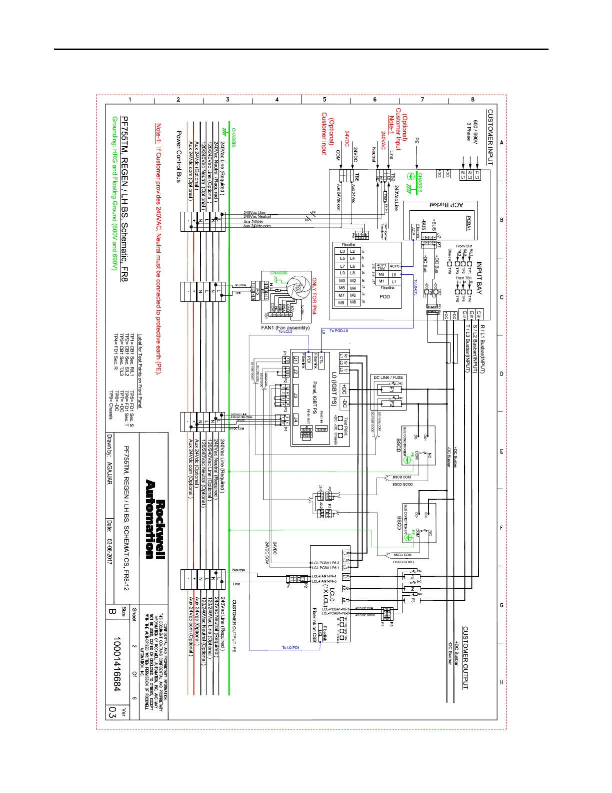
System Schematics Appendix A
Figure 50 - PowerFlex 755TM Frame 8 Regenerative Bus Supply with no DC Bus Conditioner

Table of Contents

Other manuals for Rockwell Automation Allen-Bradley PowerFlex 750 Series

Related product manuals