EasyManua.ls Logo

Roth EnergyLogic Touchline/wireless - 15 Menu Structure

Roth EnergyLogic Touchline/wireless
134 pages
Print Icon
To Next Page IconTo Next Page
To Next Page IconTo Next Page
To Previous Page IconTo Previous Page
To Previous Page IconTo Previous Page
Loading...
User Manual Roth EnergyLogic Touchline/Wireless
Menu structure
P100011294 E 119
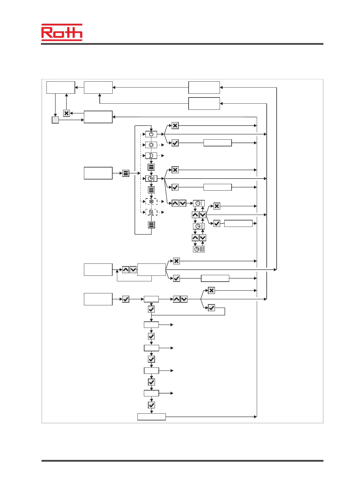
15 Menu structure
<5s
DD:MM
B12261
DD:MM
YYYY
hh:mm
hh:mm
>5s
<5s
Operation mode
Change month
Change year
Change hours
Change minutes
Change time and date
Save value
Save value
Change setpoint
Save value
Change setpoint
with one step
Save value
Save value
Operation mode
Operation mode
Change mode of operation
Any button 2 s
(only one button)
Operation mode
10 s time-out
(changed value
is NOT saved)
Stand-by-
mode
10 s time-out
(changed value
is saved)
Operation mode
(save point)
Change day
Fig. 56: Menu structure operation

Table of Contents

Related product manuals