EasyManua.ls Logo

SAME SILVER 80 - SBA System

Default Icon
470 pages
Print Icon
To Next Page IconTo Next Page
To Next Page IconTo Next Page
To Previous Page IconTo Previous Page
To Previous Page IconTo Previous Page
Loading...
SBA System
General specifications
The console of a machine equipped with the SBA System has the usual two buttons used by the driver to operate the
electrohydraulically controlled differential and 4WD functions, and in addition, a third button marked “AUTO”
Pressing this third button, the SBA system is activated and will control both functions automatically in the following manner:
four wheel drive remains normally engaged in the field, but will disengage automatically on the road whenever the
ground speed exceeds 15 km/h;
the differentials remain locked as long as the ground speed stays below 10 km/h and the wheels are not steered at any
angle wider than 20°;
the differentials remain locked as long as the wheels are not steered at any angle wider than and the ground speed
remains between 10 and 15 km/h, so as to optimize the balance between grip and handling when negotiating bends;
the differential locks release automatically, regardless of the steering angle, whenever the ground speed exceeds 15 km/h;
the differential locks will always release if the brakes are applied on one side only using just one pedal to assist
steering, in anticipation of an angle exceeding 20°.
When the SBA button is released, the driver can resume direct control of the four wheel drive and differential lock
functions using the two dedicated buttons.
As the SBA system deactivates, 4WD will engage or disengage and the differentials lock or release according to the
current on/off status of the electrohydraulic controls.
The electronic control unit of the SBA system remains powered up, but is inhibited from influencing the two functions.
The moment the SBA button is pressed, the built-in indicator lights up and the four-wheel drive and differential lock
functions are piloted in response to the operating conditions, overriding the current on/off status of the electrohydraulic
controls.
WARNING: SBA should be deselected when travelling on the highway at sustained ground speeds (over 15 km/h).
The system provides no benefit in this type of situation, and if suddenly deactivated could trigger unwarranted operation
of the four-wheel drive and differential lock functions via the electrohydraulic controls (depending on their current on/off
status).
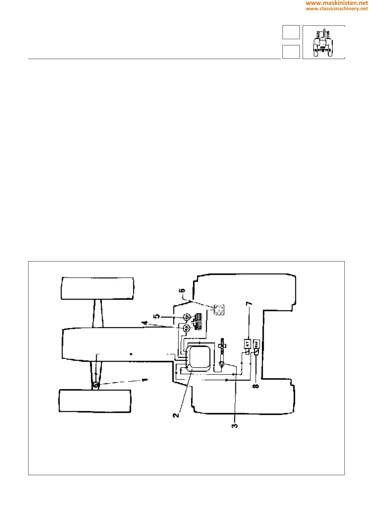
Fig. 1 - SBA System
drive axles - axles
4-W.D. front axle
1 - steering angle sensor
2 - electronic control unit
3 - driving speed sensor (in km/h)
4 - LH braking sensor
5 - RH braking sensor
6 - S.B.A. control
7 - four-wheel drive engagement/disengagement control solenoid valve
8 - differential lock engagement/disengagement control solenoid valve
43
4
207
www.maskinisten.net
www.classicmachinery.net

Table of Contents

Related product manuals