EasyManua.ls Logo

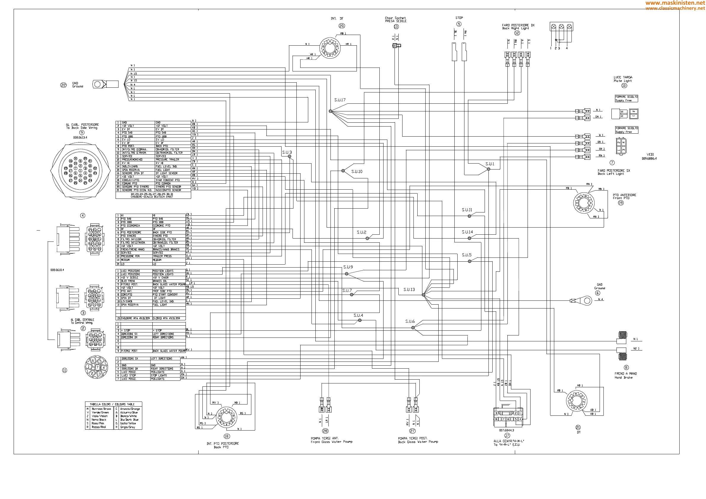
SAME SILVER 80 - UNDERMAT WIRING(Electrohydraulic Controls + H-M-L Shift) 008.0612.4;40

Default Icon
470 pages
Print Icon
To Next Page IconTo Next Page
To Next Page IconTo Next Page
To Previous Page IconTo Previous Page
To Previous Page IconTo Previous Page
Loading...
CAB WIRING SHEET 4 - UNDERMAT WIRING (electrohydraulic controls + H-M-L shift) 008.0612.4/40
424
www.maskinisten.net
www.classicmachinery.net

Table of Contents

Related product manuals