EasyManua.ls Logo

SAME SILVER 80 - Page 441

Default Icon
470 pages
Print Icon
To Next Page IconTo Next Page
To Next Page IconTo Next Page
To Previous Page IconTo Previous Page
To Previous Page IconTo Previous Page
Loading...
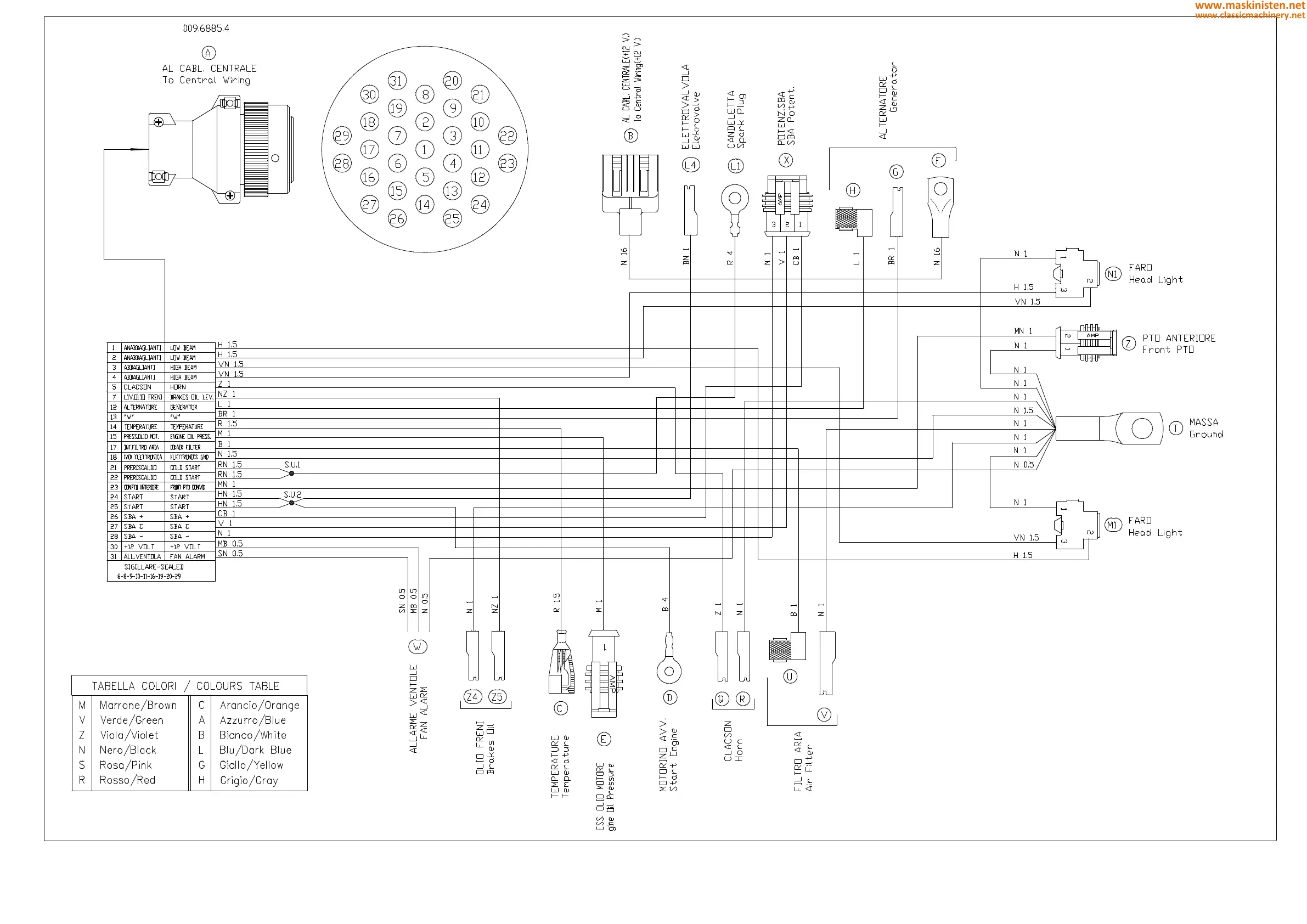
CHASSIS WIRING SHEET 21 - FRONT END WIRING WITH 65 A ALTERNATOR 008.0611.4/40
441
www.maskinisten.net
www.classicmachinery.net

Table of Contents

Related product manuals