EasyManua.ls Logo

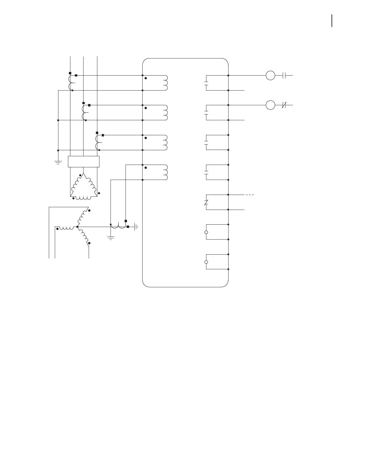
Sel 551 - Figure 2.11 SEL-551 Provides Overcurrent Protection for a Delta-Wye Transformer Bank

Sel 551
268 pages
Print Icon
To Next Page IconTo Next Page
To Next Page IconTo Next Page
To Previous Page IconTo Previous Page
To Previous Page IconTo Previous Page
Loading...
2.11
Date Code 20110408 Instruction Manual SEL-551 Relay
Installation
SEL-551 AC/DC Connection Diagrams for Example Applications
Figure 2.11 SEL-551 Provides Overcurrent Protection for a Delta-Wye Transformer Bank

Table of Contents

Related product manuals