EasyManua.ls Logo

Shimadzu RF-20A - SCHEMATIC, RF20-CPU Sheet 4;9

Shimadzu RF-20A
91 pages
Print Icon
To Next Page IconTo Next Page
To Next Page IconTo Next Page
To Previous Page IconTo Previous Page
To Previous Page IconTo Previous Page
Loading...
61
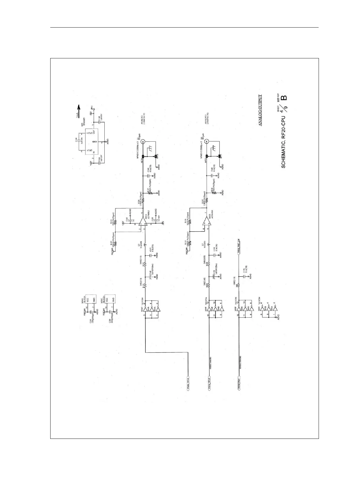
12.2.4 SCHEMATIC, RF20-CPU Sheet 4/9

Table of Contents