EasyManua.ls Logo

SM ALFOplus2 - Page 59

SM ALFOplus2
156 pages
Print Icon
To Next Page IconTo Next Page
To Next Page IconTo Next Page
To Previous Page IconTo Previous Page
To Previous Page IconTo Previous Page
Loading...
MN.00356.E - 003 57
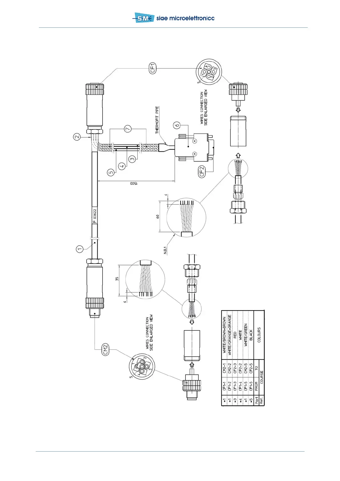
Fig.30 - F03622 console cable (remove it after use)

Table of Contents