EasyManua.ls Logo

SUNWARD SWE18UF - Page 129

SUNWARD SWE18UF
140 pages
Print Icon
To Next Page IconTo Next Page
To Next Page IconTo Next Page
To Previous Page IconTo Previous Page
To Previous Page IconTo Previous Page
Loading...
OPERATION & MAINTENANCE MANUAL SWE18UF
119
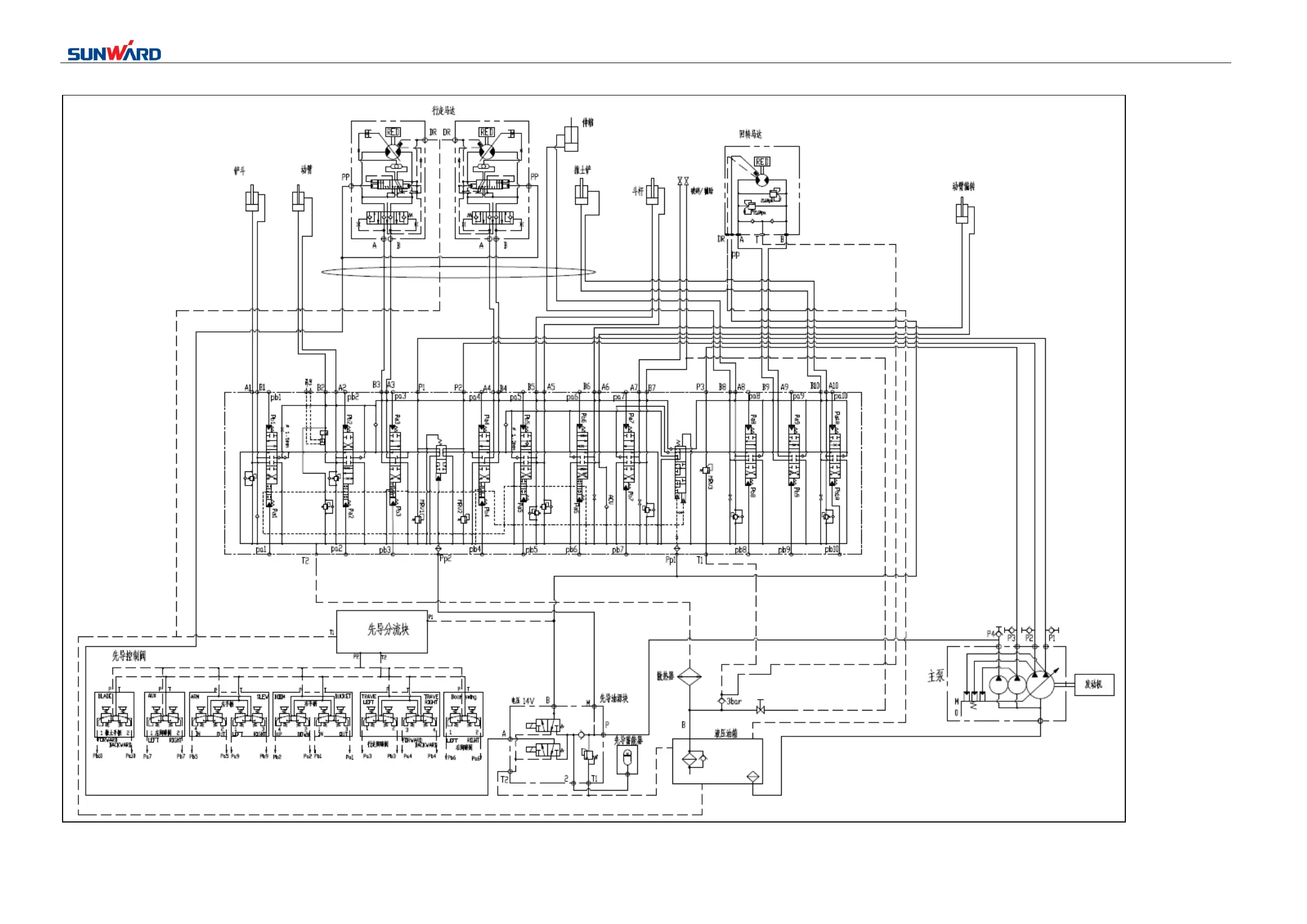
Throttling System

Table of Contents

Other manuals for SUNWARD SWE18UF

Related product manuals