EasyManua.ls Logo

SUNWARD SWE18UF - Appendix; Electrical Schematic

SUNWARD SWE18UF
140 pages
Print Icon
To Next Page IconTo Next Page
To Next Page IconTo Next Page
To Previous Page IconTo Previous Page
To Previous Page IconTo Previous Page
Loading...
OPERATION & MAINTENANCE MANUAL SWE18UF
116
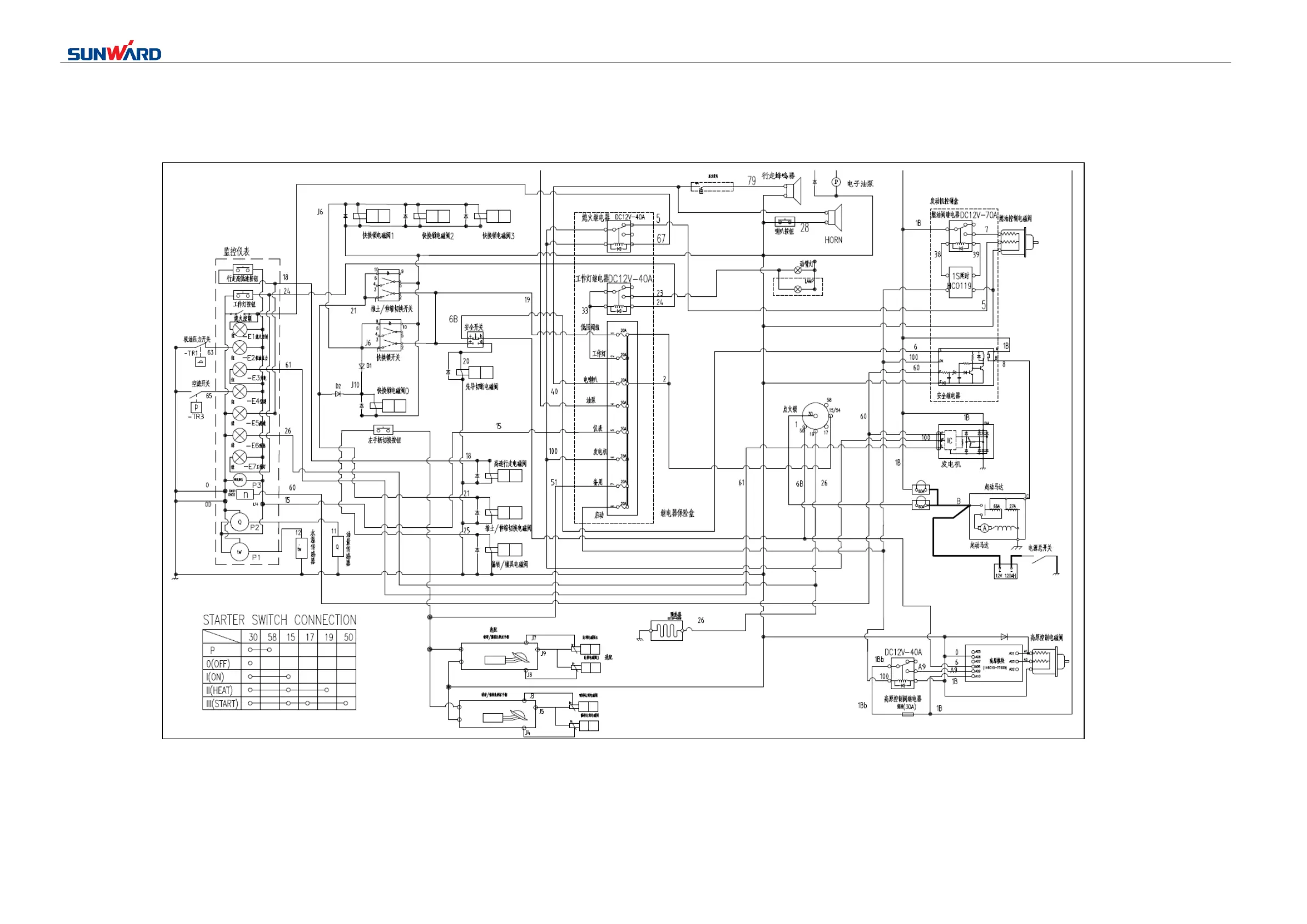
8 APPENDIX
8.1 ELECTRICAL SCHEMATIC

Table of Contents

Other manuals for SUNWARD SWE18UF

Related product manuals