EasyManua.ls Logo

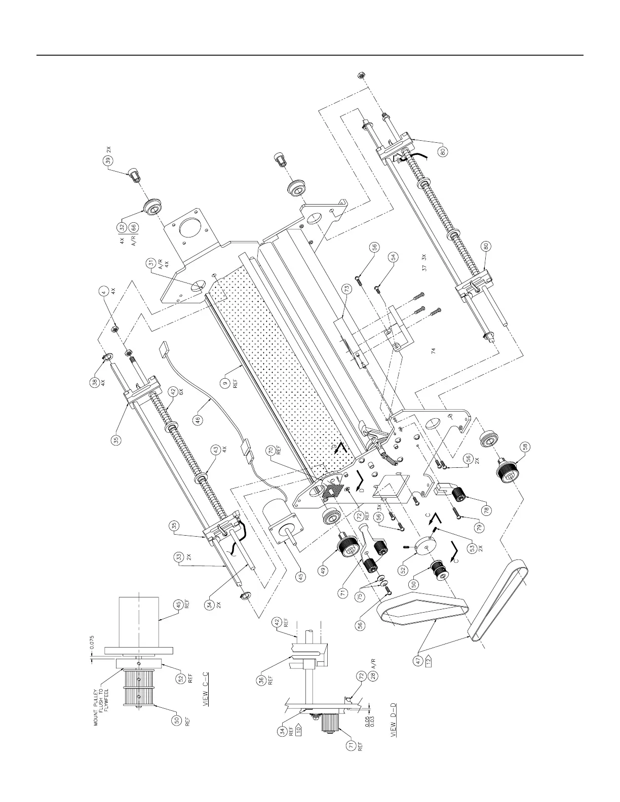
Tally T6090 - Paper Movement System

Default Icon
202 pages
Print Icon
To Next Page IconTo Next Page
To Next Page IconTo Next Page
To Previous Page IconTo Previous Page
To Previous Page IconTo Previous Page
Loading...
B-8
Maintenance Manual
Paper Movement System – T6090

Table of Contents

Other manuals for Tally T6090

Related product manuals