EasyManua.ls Logo

Tally T6090 - Hammer Bank and Electronics

Default Icon
202 pages
Print Icon
To Next Page IconTo Next Page
To Next Page IconTo Next Page
To Previous Page IconTo Previous Page
To Previous Page IconTo Previous Page
Loading...
B-10
Maintenance Manual
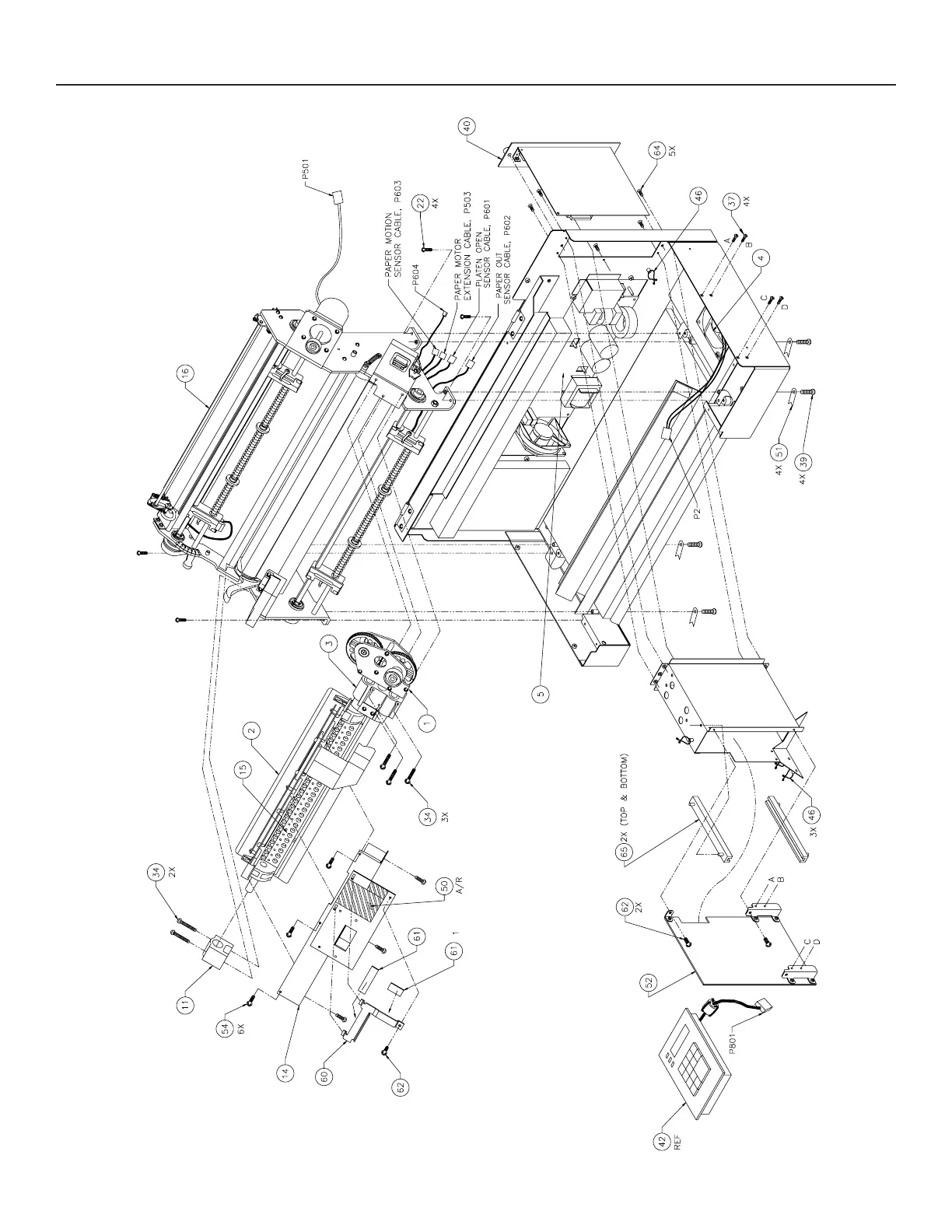
Hammer Bank and Electronics Assembly – T6090

Table of Contents

Other manuals for Tally T6090

Related product manuals