EasyManua.ls Logo

TECO TP03 PLC - Page 87

TECO TP03 PLC
152 pages
Print Icon
To Next Page IconTo Next Page
To Next Page IconTo Next Page
To Previous Page IconTo Previous Page
To Previous Page IconTo Previous Page
Loading...
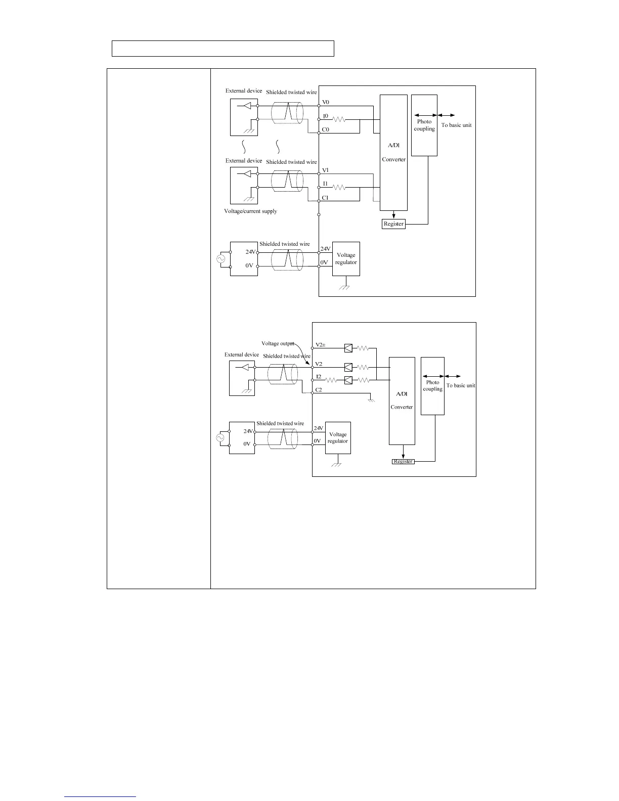
Chapter 3 Expansion unit specification
expansion unit 3-27
Principle figure
Input circuit
Output circuit

Table of Contents

Related product manuals