EasyManua.ls Logo

Thermal Dynamics CUTMASTER 151 - Page 125

Thermal Dynamics CUTMASTER 151
172 pages
Print Icon
To Next Page IconTo Next Page
To Next Page IconTo Next Page
To Previous Page IconTo Previous Page
To Previous Page IconTo Previous Page
Loading...
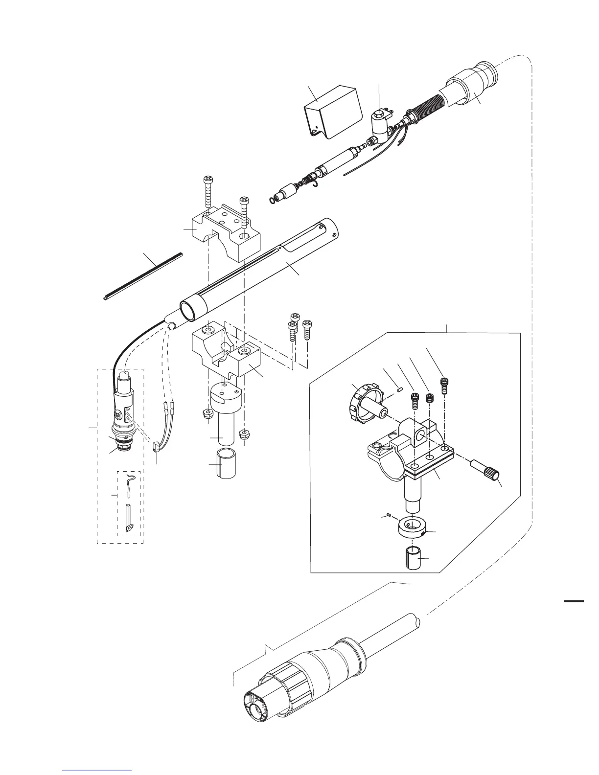
Manual 0-4691 6-13 PARTS LISTS
6
Art # A-07113
6
1
4
2
3
5
8
10
12
11
7
10
22
19
15
14
16
17
18
20
21
21
13
9
24
23

Table of Contents

Other manuals for Thermal Dynamics CUTMASTER 151

Related product manuals