EasyManua.ls Logo

Thermal Dynamics CUTMASTER 151 - APPENDIX 26: 28 VAC CIRCUIT DIAGRAM

Thermal Dynamics CUTMASTER 151
172 pages
Print Icon
To Next Page IconTo Next Page
To Next Page IconTo Next Page
To Previous Page IconTo Previous Page
To Previous Page IconTo Previous Page
Loading...
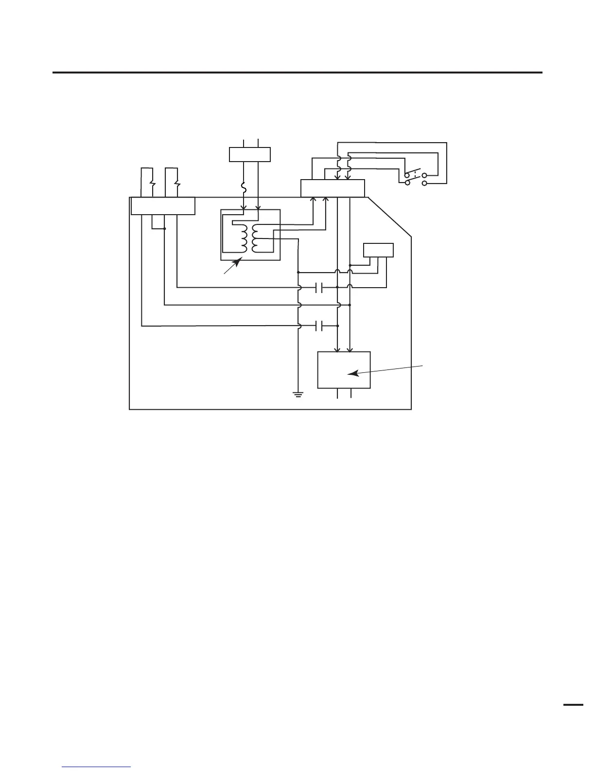
Manual 0-4691 A-27 APPENDIX
A
APPENDIX 26: 28VAC CIRCUIT DIAGRAM
1 2 5 6
3 4 5 6
Main Power PC Board
Auxiliary
Transformer
Voltage
Protection
CRT/+12 Regulator
J18
J24
+12vdc
W1
SOL
ON/OFF Switch
A-03710
primary
secondary
Fuse
2
3
J23 (Test)
K5
K4
J81
4
Line Voltage
J11
1

Table of Contents

Other manuals for Thermal Dynamics CUTMASTER 151

Related product manuals