EasyManua.ls Logo

Thermal Dynamics CUTMASTER 151 - Page 36

Thermal Dynamics CUTMASTER 151
172 pages
Print Icon
To Next Page IconTo Next Page
To Next Page IconTo Next Page
To Previous Page IconTo Previous Page
To Previous Page IconTo Previous Page
Loading...
INSTALLATION 3-12 Manual 0-4691
3
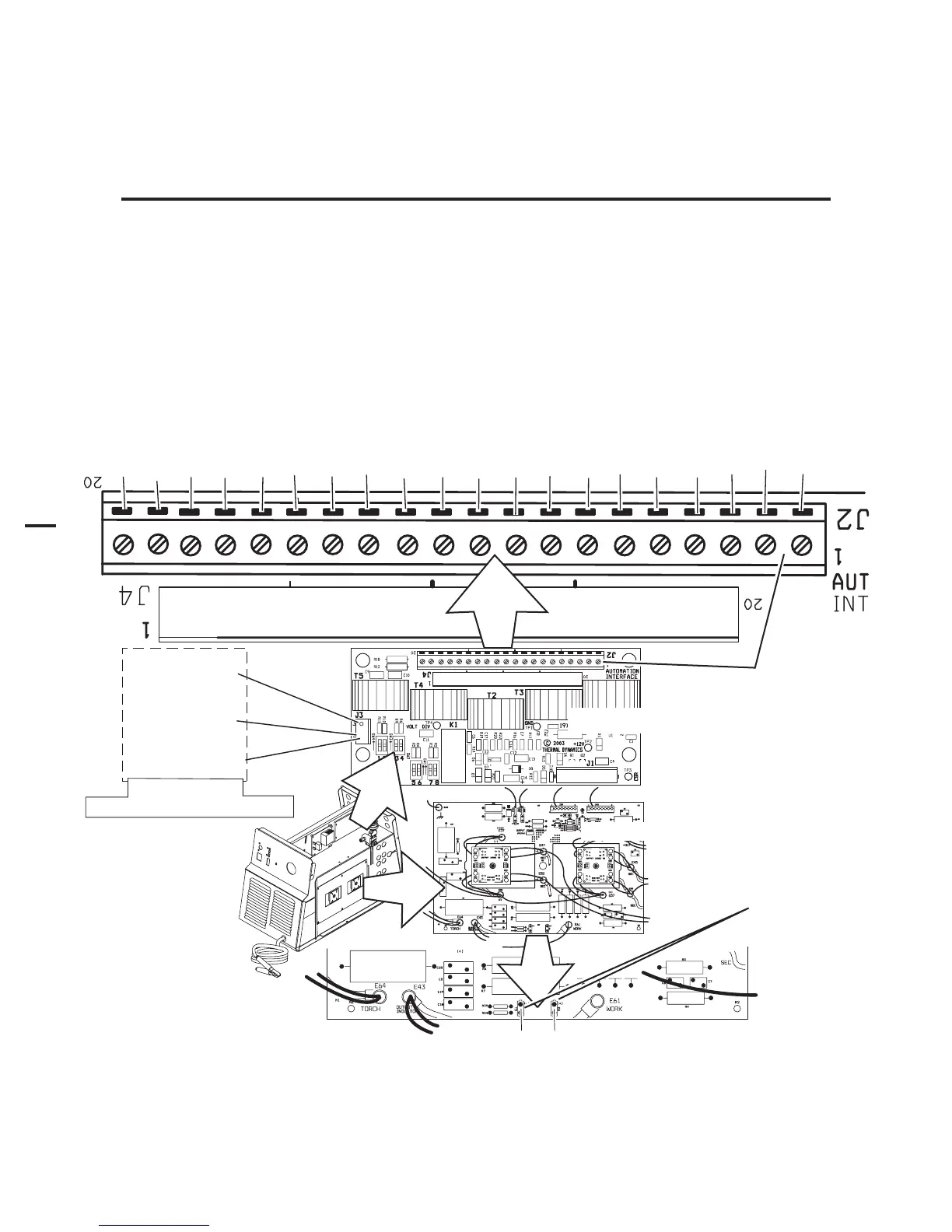
5. Connect the wire harness from the alternate CNC Control to the 20-position terminal strip (labeled 'J2') on the Automation
Interface PC Board. Refer to the illustration.
a. For divided voltage output, connect to terminals J2-11 (negative) and J2-9 (positive) on the Interface PC Board..
b. For raw arc voltage, connect to terminals E2 (positive) and E1 (negative) on the Output Power PC Board.
NOTE
There is no need to disconnect the factory-installed wire harness from the J4 terminal strip.
3
9
5
4
1
2
6
7
8
10
13
19
15
14
11
12
16
17
18
20
Art # A-04149
Torch Switch
(Positive)
Torch Switch (Negative)
OK to Move
OK to Move
Divided Output (Positive)
Divided Output (Negative)
Logic Common
Open
Open
Open
Open
Open
Open
Open
Open
Arc Volts - Positive (Proprietary)
Arc Volts Negative - (Proprietary)
Remote Current Control (Optional)
Remote Current Control (Optional)
Remote Current Control (Optional)
To Main PC Board
Terminal J27-3
To Main PC Board
Terminal J27-1
To Main PC Board
Terminal J27-2
Installed only with
Optional Remote Current Control
Terminal Block J2
E2 (+)
E1(-)
Automation Interface PC Board
Output Power PC Board
Raw Arc Voltage
Connection Points
Alternate CNC Controller Connections to Automation Interface Board
6. Tighten the through-hole protector ('strain relief') to secure the CNC cable to the power supply.

Table of Contents

Other manuals for Thermal Dynamics CUTMASTER 151

Related product manuals