EasyManua.ls Logo

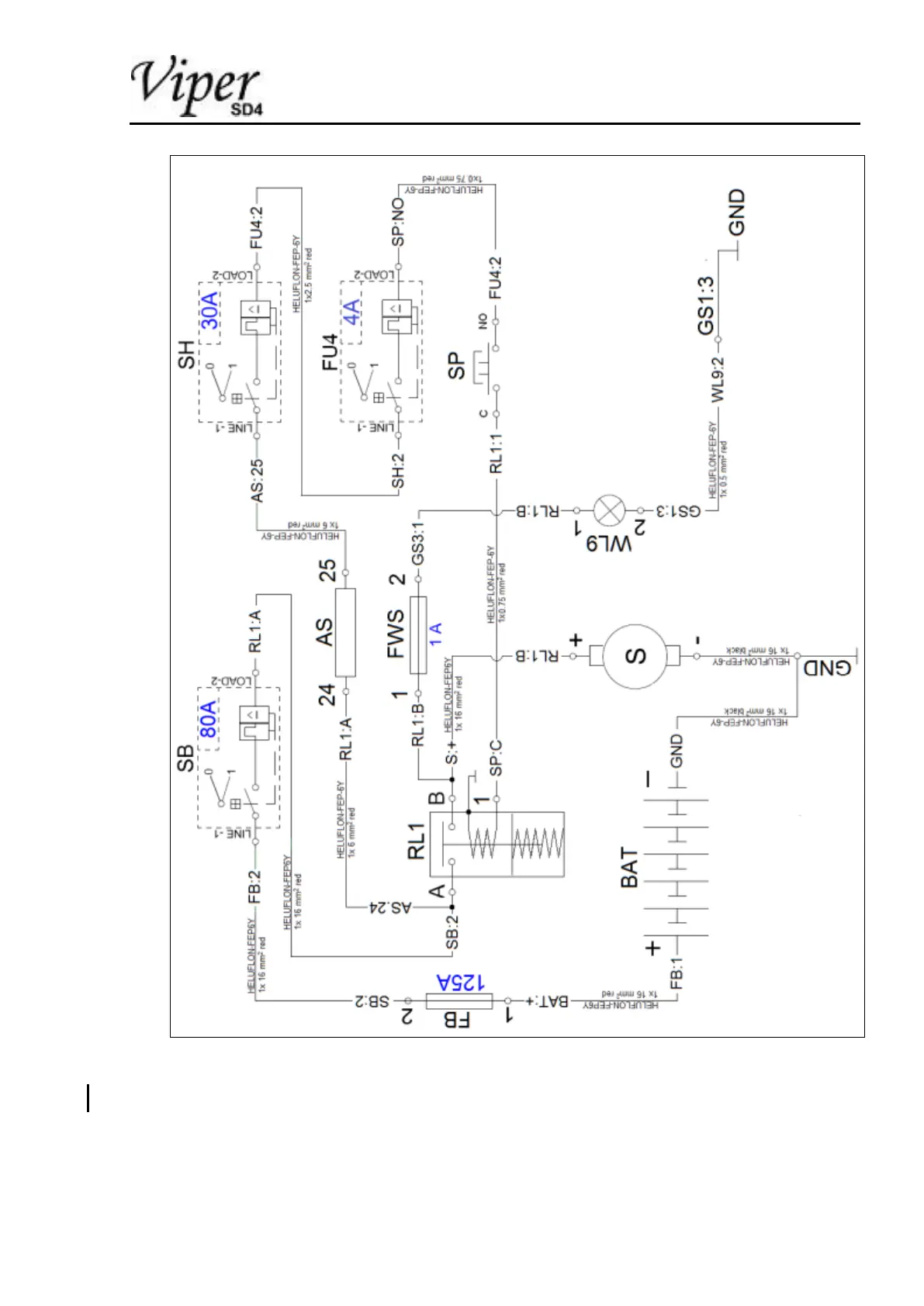
TOMARK Viper SD-4 RTC - Figure 51 FU4 Power Supply for Starter Power

TOMARK Viper SD-4 RTC
203 pages
Print Icon
To Next Page IconTo Next Page
To Next Page IconTo Next Page
To Previous Page IconTo Previous Page
To Previous Page IconTo Previous Page
Loading...
TOMARK, s.r.o.
Airplane Maintenance Manual
Chapter 91 Charts
Issue: 28.FEB 2017 Page 201
Figure 51 FU4 power supply for Starter Power

Table of Contents