EasyManua.ls Logo

TSC TTP-245 - Specifications; Printer Specifications

TSC TTP-245
109 pages
Print Icon
To Next Page IconTo Next Page
To Next Page IconTo Next Page
To Previous Page IconTo Previous Page
To Previous Page IconTo Previous Page
Loading...
TTP-245 / TTP-343
31
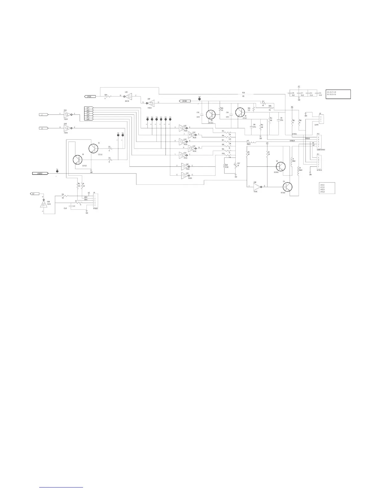
2.13. Sensor Circuit
2.13.1. Gap and Black Mark Sensor
Fig. 2.13.1 Gap / Black Mark Sensor Circuit Diagram
1. The gap sensor is a penetrable sensor with 64 levels.
2. Black mark sensor is a reflecting sensor with 64 levels.
3. The gap sensor activates when gap and black mark SW signal is high. The
black mark sensor activates when GAP& BM_SW signal is low.

Table of Contents

Other manuals for TSC TTP-245

Related product manuals