EasyManua.ls Logo

TSC TTP-245 - LED and Button Operation; LED; Button Operation

TSC TTP-245
109 pages
Print Icon
To Next Page IconTo Next Page
To Next Page IconTo Next Page
To Previous Page IconTo Previous Page
To Previous Page IconTo Previous Page
Loading...
TTP-245 / TTP-343
33
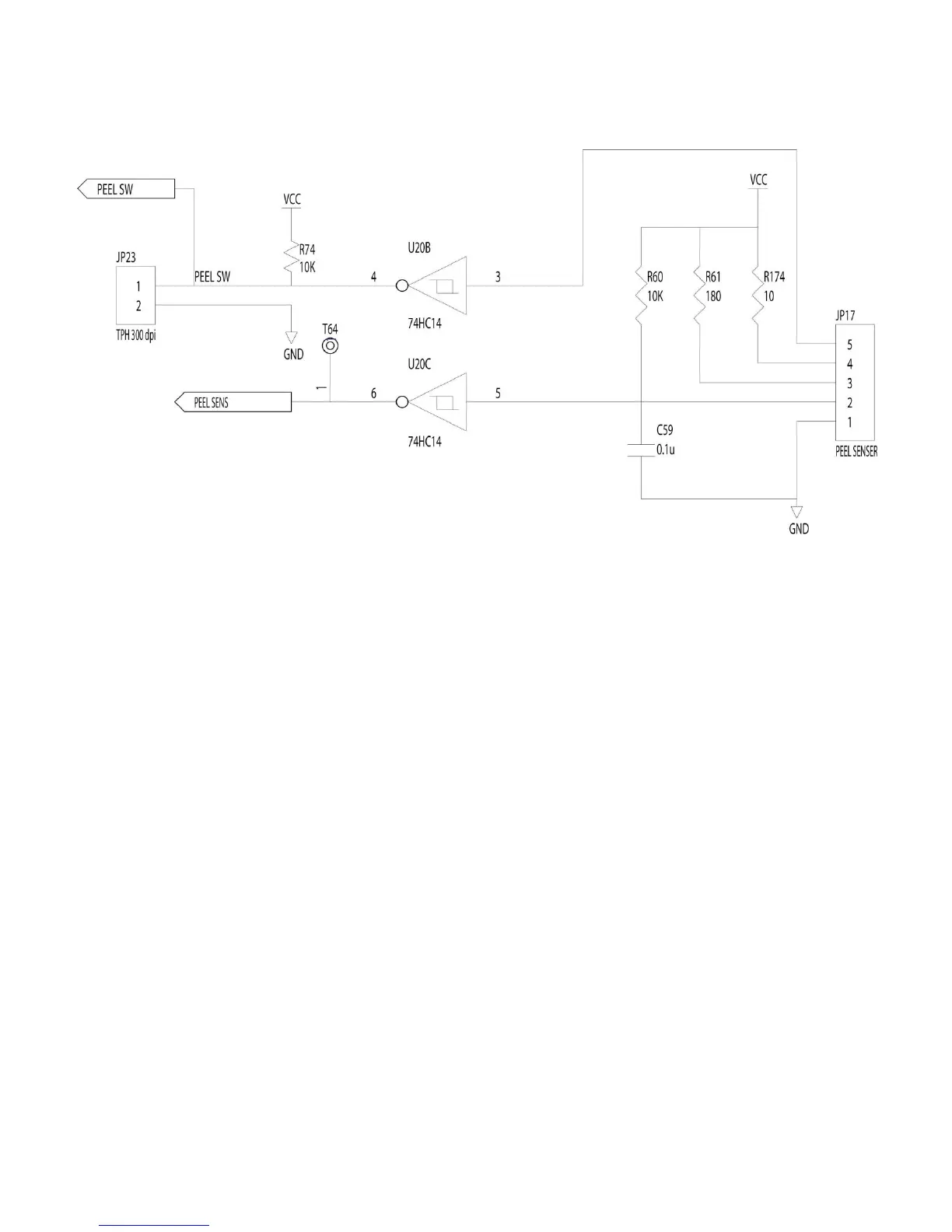
2.13.3. Peel-off Sensor
Fig. 2.13.3 Peel-off Sensor Circuit Diagram
This is a reflecting sensor. The peel-off sensor signal voltage is high when the
paper is detected; otherwise, it is low.

Table of Contents

Other manuals for TSC TTP-245

Related product manuals