EasyManua.ls Logo

TSC TTP-245 - Serial Interface Circuit

TSC TTP-245
109 pages
Print Icon
To Next Page IconTo Next Page
To Next Page IconTo Next Page
To Previous Page IconTo Previous Page
To Previous Page IconTo Previous Page
Loading...
TTP-245 / TTP-343
27
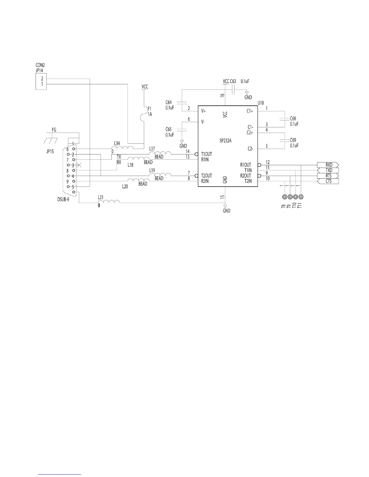
2.11. Serial Interface Circuit
Fig. 2.11 Serial Interface Circuit Diagram
RS-232 is an asynchronous transfer interface, which used with externally connected
personal computer and keyboard unit. JP15 connects to PC serial interface through the
RS-232 cable. RxD is a data receive pin of MCU. CTS is clear to send of MCU, which
sends a signal from the external device. TxD is a data output pin of MCU. RTS is the
request to send signal, which sends signal to the external device.

Table of Contents

Other manuals for TSC TTP-245

Related product manuals