EasyManua.ls Logo

TSC TTP-245 - Cutter Drive; Protection Circuit

TSC TTP-245
109 pages
Print Icon
To Next Page IconTo Next Page
To Next Page IconTo Next Page
To Previous Page IconTo Previous Page
To Previous Page IconTo Previous Page
Loading...
TTP-245 / TTP-343
35
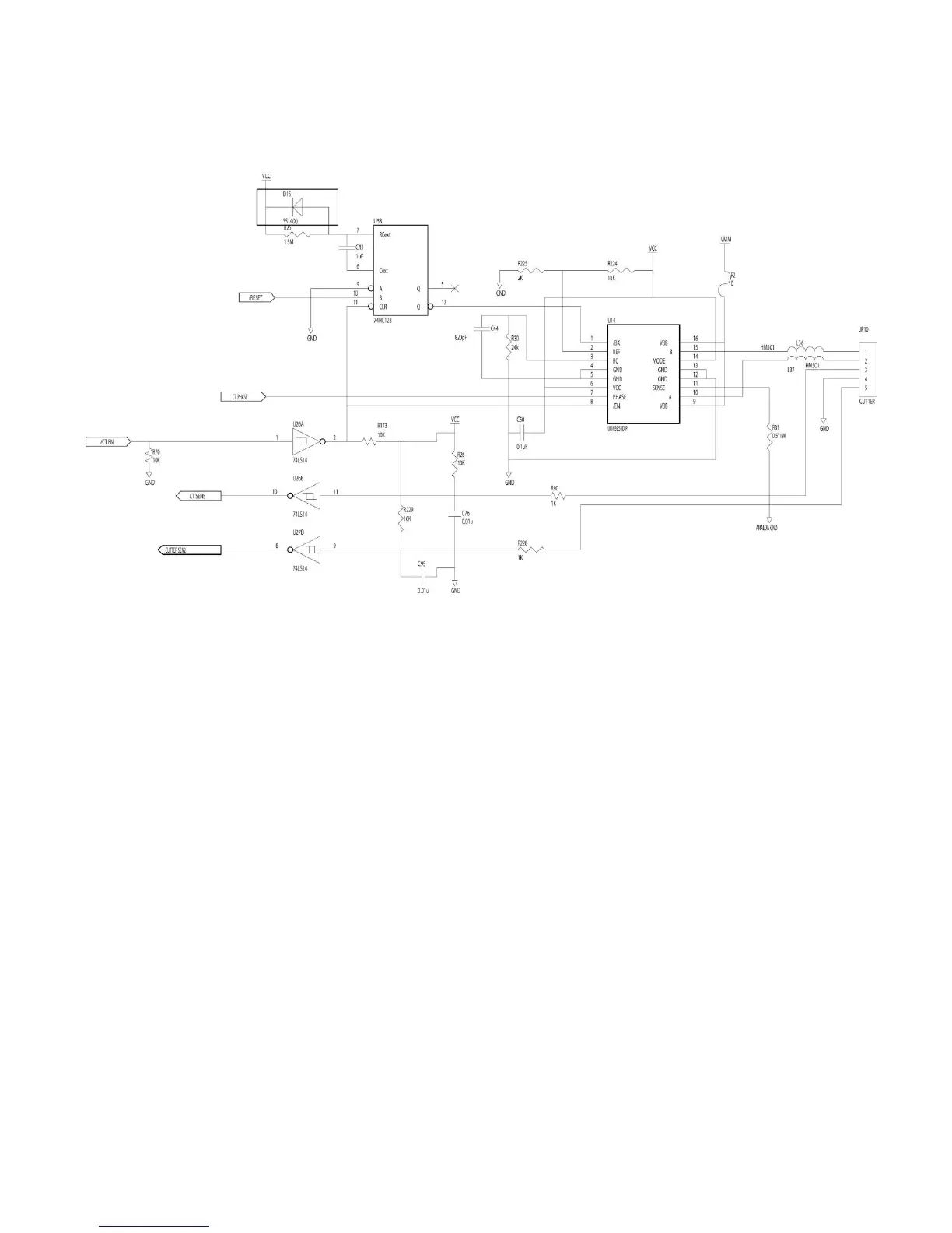
2.14. Cutter Drive / Protection Circuit
Fig. 2.14 Cutter Drive / Protection Circuit Diagram
RESET signal is high when the printer is turned on. The cutter is activated when
CTEN signal is low. CTPhase signal controls the rotated direction. U15B
74HC123 controls the breaking of the DC motor of the cutter. The sensor of the
cutter sends high - low signal to MCU through the CTSENS pin that detects action
of a cutter.

Table of Contents

Other manuals for TSC TTP-245

Related product manuals