EasyManua.ls Logo

TSC TTP-245 - Ribbon Sensor

TSC TTP-245
109 pages
Print Icon
To Next Page IconTo Next Page
To Next Page IconTo Next Page
To Previous Page IconTo Previous Page
To Previous Page IconTo Previous Page
Loading...
TTP-245 / TTP-343
34
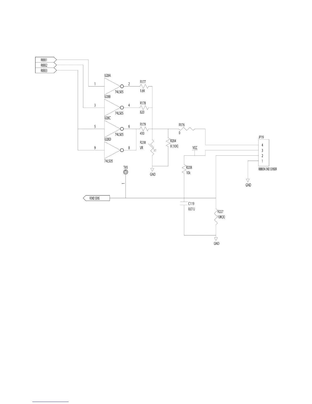
2.13.4. Ribbon Sensor
Fig. 2.13.4 Ribbon Sensor Circuit Diagram
This ribbon sensor is a reflecting sensor. The RIBB1~3 can be changed by command
or auto-calibration. The REND signal voltage is high when the ribbon is detected;
otherwise, it is low.

Table of Contents

Other manuals for TSC TTP-245

Related product manuals