EasyManua.ls Logo

TSC TTP-245 - DC Motor Driver; Encoder Circuit

TSC TTP-245
109 pages
Print Icon
To Next Page IconTo Next Page
To Next Page IconTo Next Page
To Previous Page IconTo Previous Page
To Previous Page IconTo Previous Page
Loading...
TTP-245 / TTP-343
36
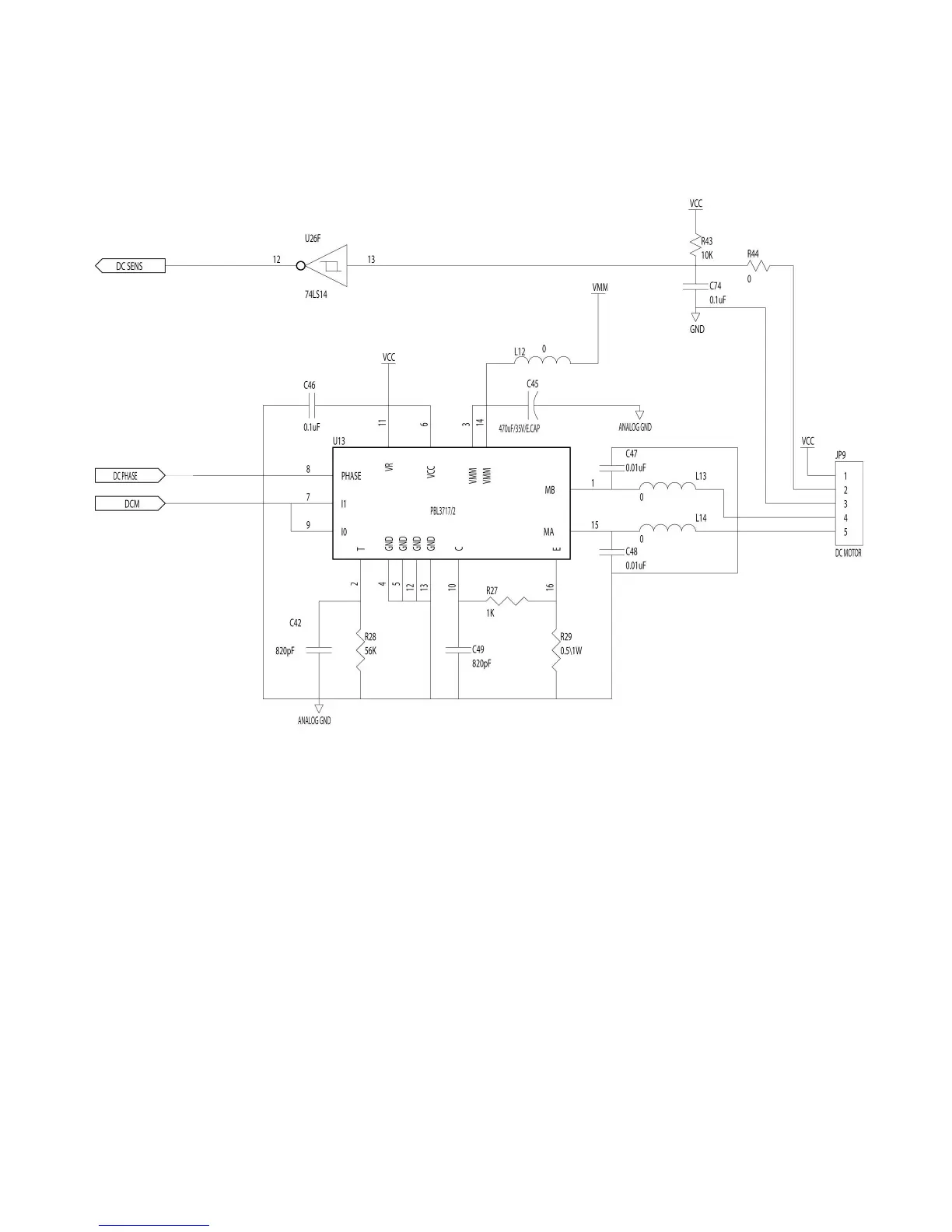
2.15. DC Motor Driver / Encoder Circuit
Fig. 2.15 DC Motor Drive/ Encoder Circuit Diagram
DCM signal is used to switch on/off the motor driver, The DC PHASE signal is to
control the direction of the rotate the encoder circuit, which is used to detect the rotary
rate. DC SENS signal voltage is high when the hole of the gear is detected; otherwise,
it is low.

Table of Contents

Other manuals for TSC TTP-245

Related product manuals