EasyManua.ls Logo

Utax CD 1020 - Main PCB

Utax CD 1020
296 pages
Print Icon
To Next Page IconTo Next Page
To Next Page IconTo Next Page
To Previous Page IconTo Previous Page
To Previous Page IconTo Previous Page
Loading...
2AV/X
2-3-4
2-3
2-3-2 Main PCB
• 15 cpm copier
CCD PCB
Clock signal
Main PCB
S/H
IC
ADC
IC2
MIP
IC4
FEEPROM
IC11
CPU
IC16
SRAM
IC15,17
XIO
IC19,25
Driver
BUF
Driver
Odd
Even
Print data
Printer data
Memory image data
Address bus
Data bus
Control signal
output
Control signal output
* Optional.
Detection signal input
Detection signal input
Analog image data
LSU
Printer controller*
Memory PCB*
STDF*
Job separator*
Optional drawer*
Operation unit PCB
Drive unit
Scanner unit
Developing unit
Paper feed unit
Fixing unit
High-voltage
transformer PCB
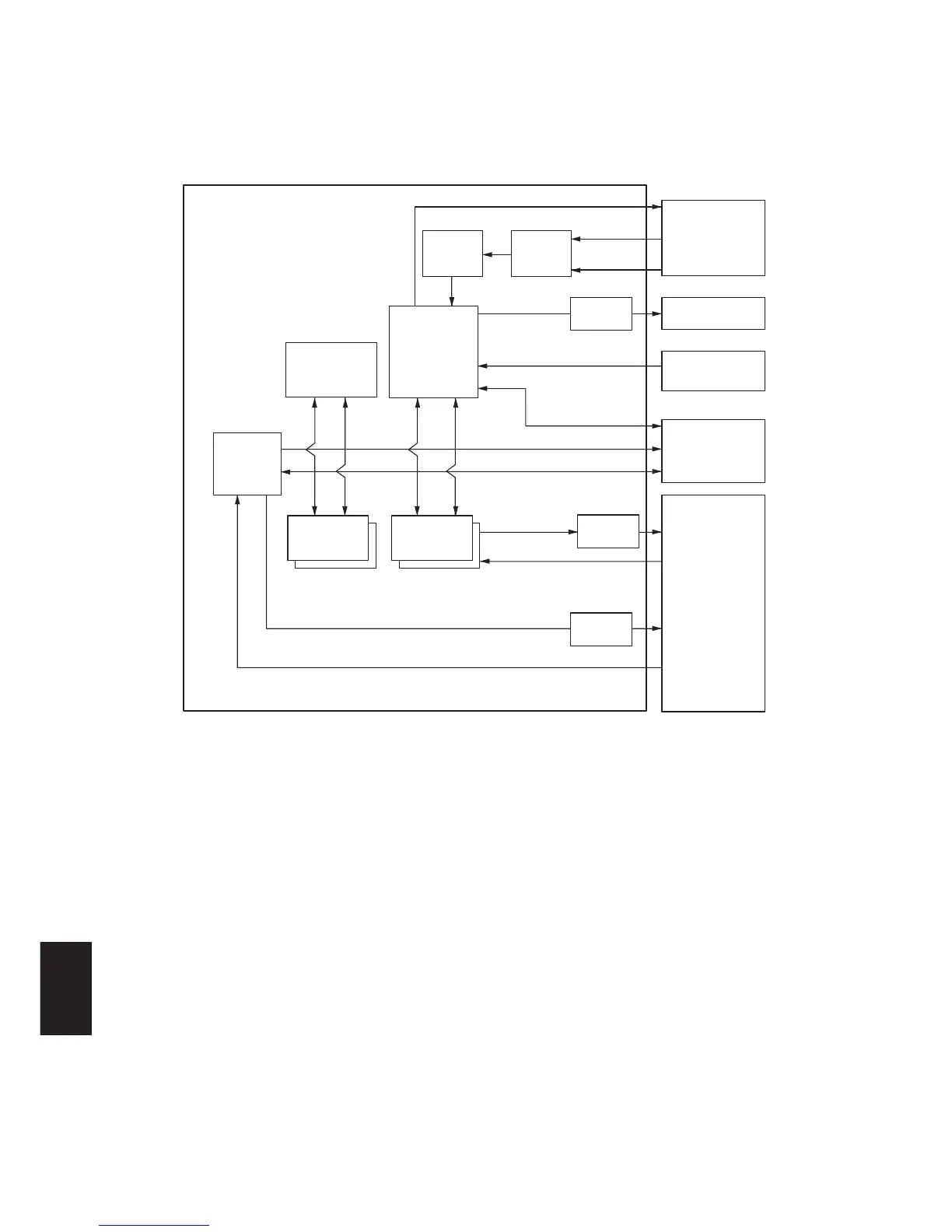
Figure 2-3-3 Main PCB block diagram (15 cpm copier)
The main PCB (MPCB) consists mainly of the CPU IC16. It communicates with the printer controller and controls the
memory PCB, image processing system and engine drive system.
The CPU IC16 operates on an 8-bit bus. It uses the SRAM IC15 and IC17 for work memory and backup memory. In
accordance with the control program in FEEPROM IC11, the CPU IC16 communicates with the printer controller via the
serial communication function in the CPU. The CPU IC16 also controls the CCD PCB (CCDPCB), which is for image input
control, and the LSU, which is for image output control, via the image processing ASIC MIP IC4, and drives the operation
section and machine, conveys paper and detects abnormalities via XIO IC19 and IC25.

Table of Contents

Related product manuals