EasyManua.ls Logo

Vertiv Liebert STS2/PDU - Figure 57 LED Display

Vertiv Liebert STS2/PDU
144 pages
Print Icon
To Next Page IconTo Next Page
To Next Page IconTo Next Page
To Previous Page IconTo Previous Page
To Previous Page IconTo Previous Page
Loading...
Vertiv | Liebert
®
STS2
100-1000A, 50/60Hz User Manual | Rev. 12 | 11/2017 99
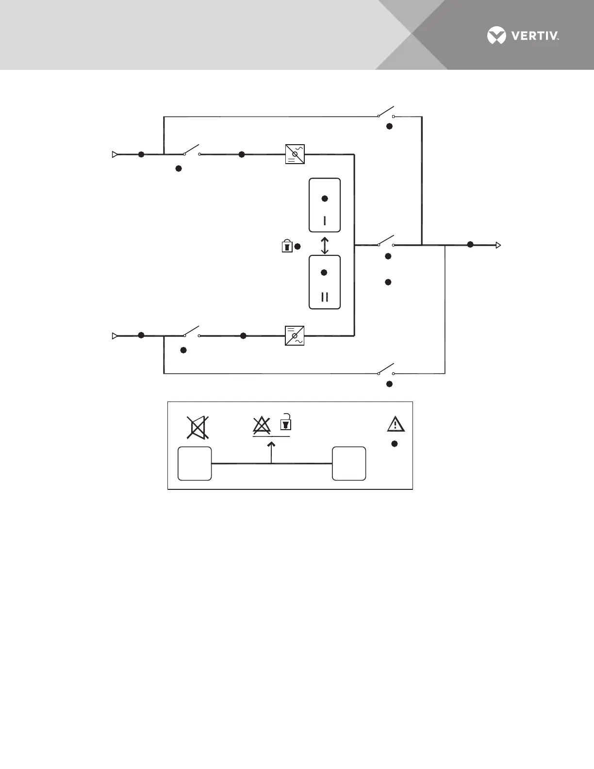
Figure 57 LED display
(F)(D)(B)
(K)
(L)
(N)(M)
5
~
2
~
(A) 1
1
(G)
~
2
(I)
3A
3
~
(C)
(E)
(H)
4
~
(J)
See Table 12 for LED
meanings and suggested
actions.

Table of Contents

Related product manuals