EasyManua.ls Logo

Woodward HighPROTEC - Page 54

Woodward HighPROTEC
1369 pages
Print Icon
To Next Page IconTo Next Page
To Next Page IconTo Next Page
To Previous Page IconTo Previous Page
To Previous Page IconTo Previous Page
Loading...
Installation and Connection
54 MCDGV4 DOK-HB-MCDGV4-2E
L1 L2 L3
IL2'
IL1
IL3'
IL2
IL3
IL1'
1
X?.
2
3
4
5
6
7
8
9
10
11
12
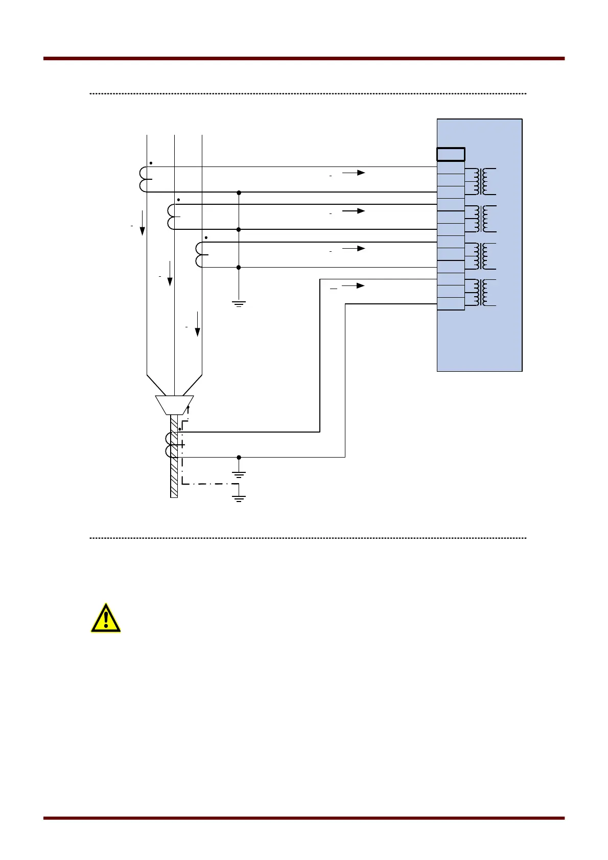
Three phase current measurement; In secondary = 1 A.
Earth-current measuring via cable-type current transformer ; IGnom secondary = 1 A.
IG'
IL1
1A
5A
N
IL2
1A
5A
N
IL3
1A
5A
N
IG
1A
5A
N
Warning!
The shielding at the dismantled end of the line has to be put through the cable -type current
transformer and has to be grounded at the cable side .
Ring Core Type Current
Transformer: Measures the
ground current . (Sum of the three
phase currents ). Can be used for
measuring the earth current in
isolated and compensated
networks. The shield is to be
returned through the ring core
current transformer .
IG meas = IG
IG calc = IL1 + IL2 + IL3

Table of Contents

Other manuals for Woodward HighPROTEC

Related product manuals