EasyManua.ls Logo

Woodward HighPROTEC - Idg - Ground Current Differential Protection [87 GN, 87 TN, 64 REF]

Woodward HighPROTEC
1369 pages
Print Icon
To Next Page IconTo Next Page
To Next Page IconTo Next Page
To Previous Page IconTo Previous Page
To Previous Page IconTo Previous Page
Loading...
Protective Elements
IdG - Ground Current Differential Protection [87GN, 87TN, 64REF]
Available elements:
IdG[1] ,IdG[2]
The ground differential protective element can be used to provide:
Sensitive detection of internal ground faults on the wye-side windings of transformers.
Sensitive ground fault detection for solidly or low -impedance grounded generators.
Description
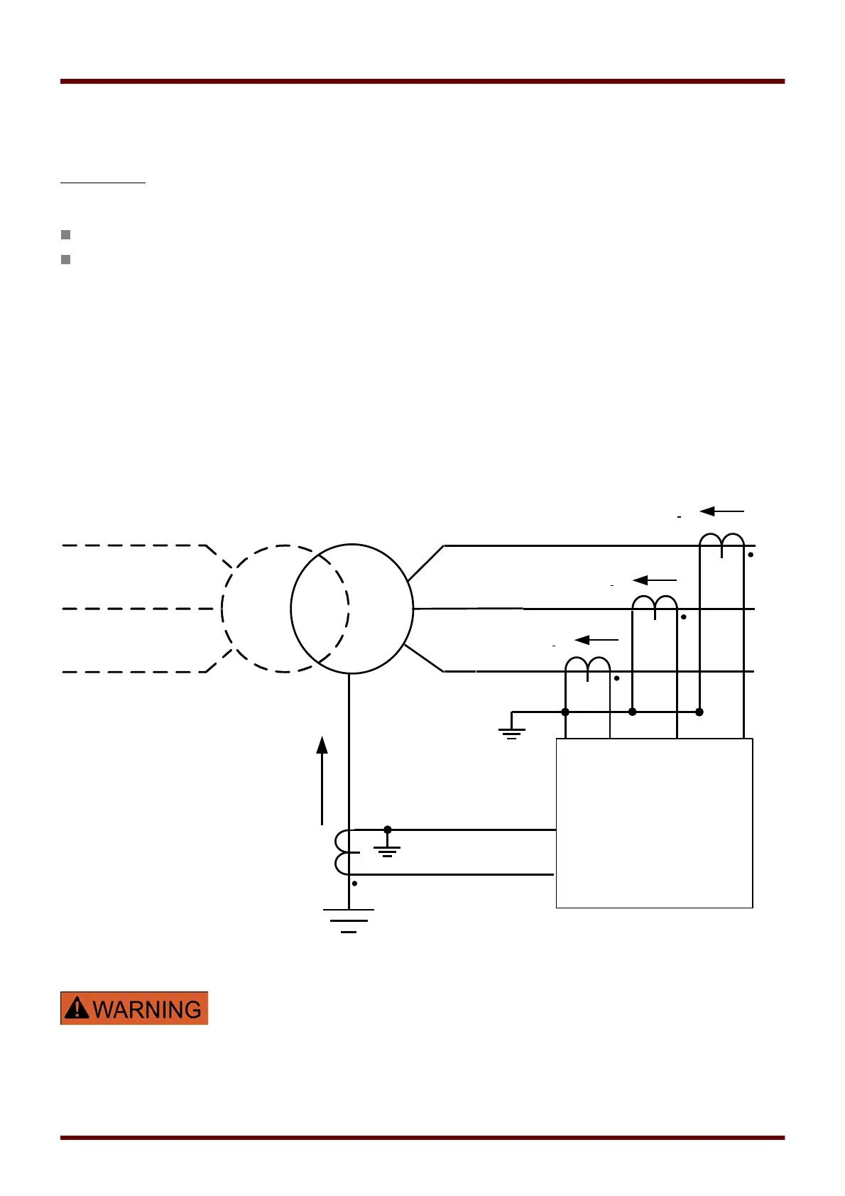
This protection principle is based on a restricted ground fault scheme that only can be used in systems with an
earthed neutral. The ground differential current is the vector sum of the measured earth current and the calculated
zero sequence current from three measured phase currents. Similarly to the phase restrained differential protection,
the ground restraining current is the vector difference of the measured earth current and the calculated zero
sequence current from three measured phase currents. The trip characteristic is very much similar to the phase
restrained differential protection and it does not have the temporary restraining.
Protection Principle of Ground Current Differential Protection connected on wye-side winding of a transformer
The trip commands generated by the protective function restricted ground fault
IdG have to be assigned within the Breaker Manager.
660 MCDGV4 DOK-HB-MCDGV4-2E
yD
Protected Zone
L1
L2
L3
IL2
IL3
IL1
Protective Relay

Table of Contents

Other manuals for Woodward HighPROTEC

Related product manuals