EasyManua.ls Logo

Woodward HighPROTEC - Page 58

Woodward HighPROTEC
1369 pages
Print Icon
To Next Page IconTo Next Page
To Next Page IconTo Next Page
To Previous Page IconTo Previous Page
To Previous Page IconTo Previous Page
Loading...
Installation and Connection
58 MCDGV4 DOK-HB-MCDGV4-2E
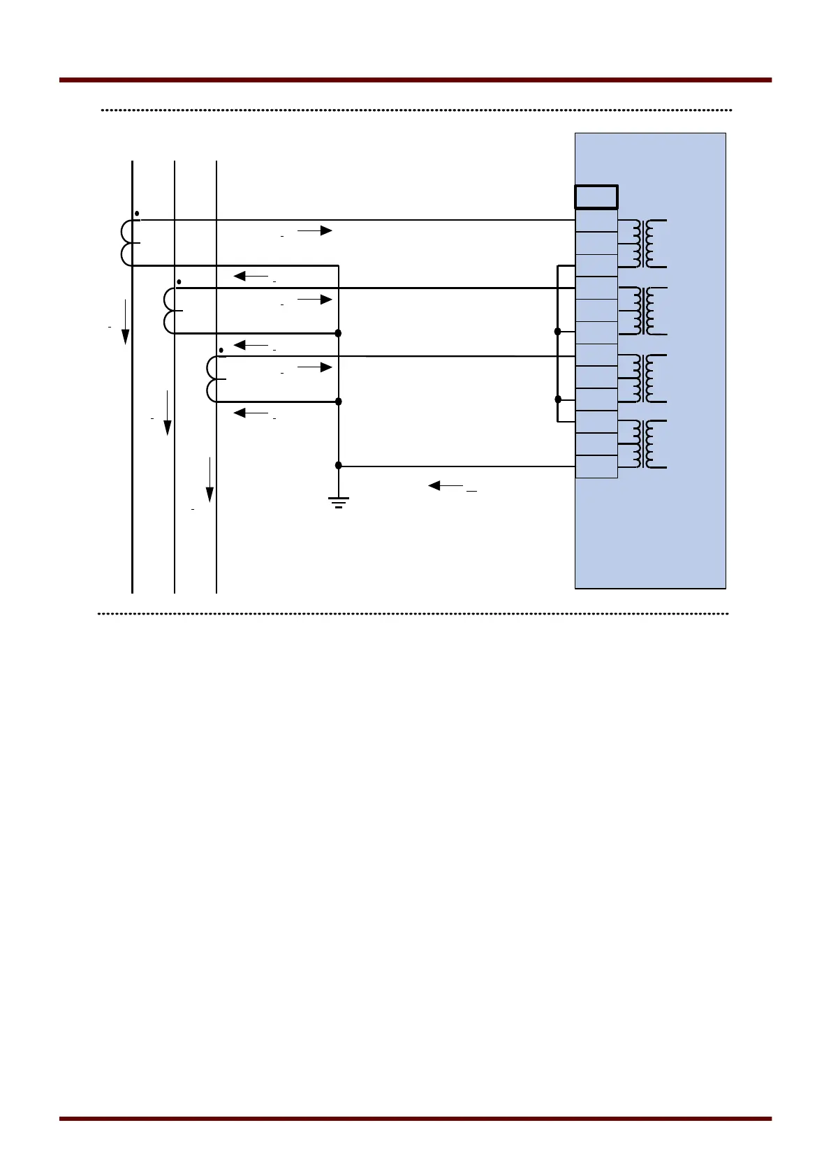
L1 L3 L2
IL1
IL3
IL2
1
X?.
2
3
4
5
6
7
8
9
10
11
12
IG'
Three phase current measurement; In secondary = 1 A.
Earth-current measuring via Holmgreen-connection; IGnom secondary = 1 A.
IL1
1A
5A
N
IL3
1A
5A
N
IL2
1A
5A
N
IG
1A
5A
N
IL3'
IL2'
IL1'
IL3'
IL2'
IL1'

Table of Contents

Other manuals for Woodward HighPROTEC

Related product manuals