EasyManua.ls Logo

Woodward HighPROTEC - Page 86

Woodward HighPROTEC
1369 pages
Print Icon
To Next Page IconTo Next Page
To Next Page IconTo Next Page
To Previous Page IconTo Previous Page
To Previous Page IconTo Previous Page
Loading...
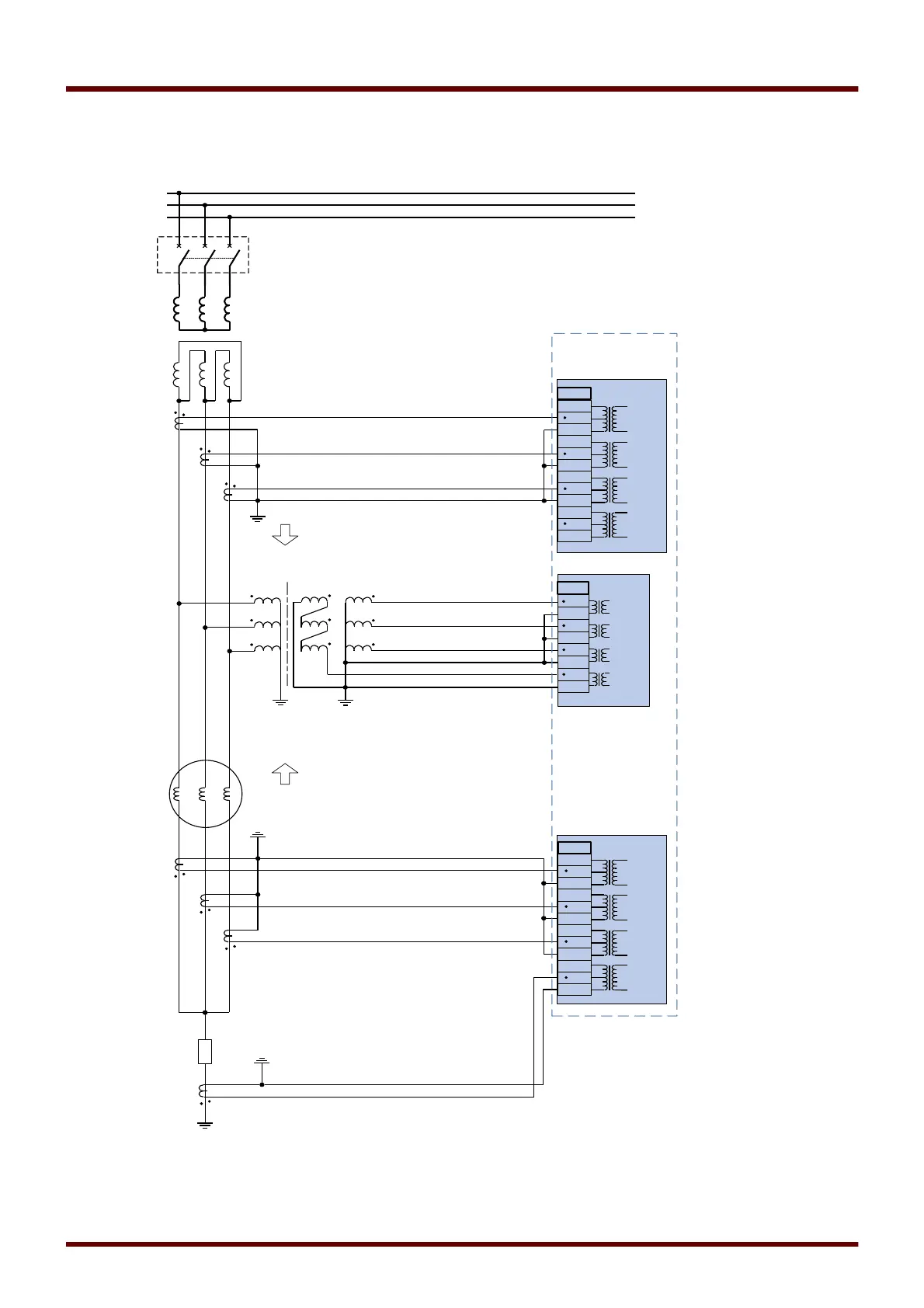
Installation and Connection
Low Resistance Grounded Generator and Stepup Transformer Unit with Generator Phase Differential Protection
only
86 MCDGV4 DOK-HB-MCDGV4-2E
1
X3.
2
3
4
5
6
7
8
9
10
11
12
IL1
1A
5A
N
IL2
1A
5A
N
IL3
1A
5A
N
IG
1A
5A
N
1
X6.
2
3
4
5
6
7
8
L3
L2
L1
1
X4.
2
3
4
5
6
7
8
9
10
11
12
IL1
1A
5A
N
IL2
1A
5A
N
IL3
1A
5A
N
IG
1A
5A
N
CT Mains
CT Ntrl
Power Out
Trip
direction decision: forward
CT Ntrl = W1
CT Mains = W2
L1
L2 L3
These Current Transformers are
used for Direction Detection.
VL3/
VL31
VL2/
VL23
VL1/
VL12
VX
MCDGV4

Table of Contents