EasyManua.ls Logo

Xerox WorkCentre 4265

Xerox WorkCentre 4265
631 pages
To Next Page IconTo Next Page
To Next Page IconTo Next Page
To Previous Page IconTo Previous Page
To Previous Page IconTo Previous Page
Loading...
January 2016
7-44
WorkCentre WorkCentre 4150/4250/4260WorkCentre 4150/4250/
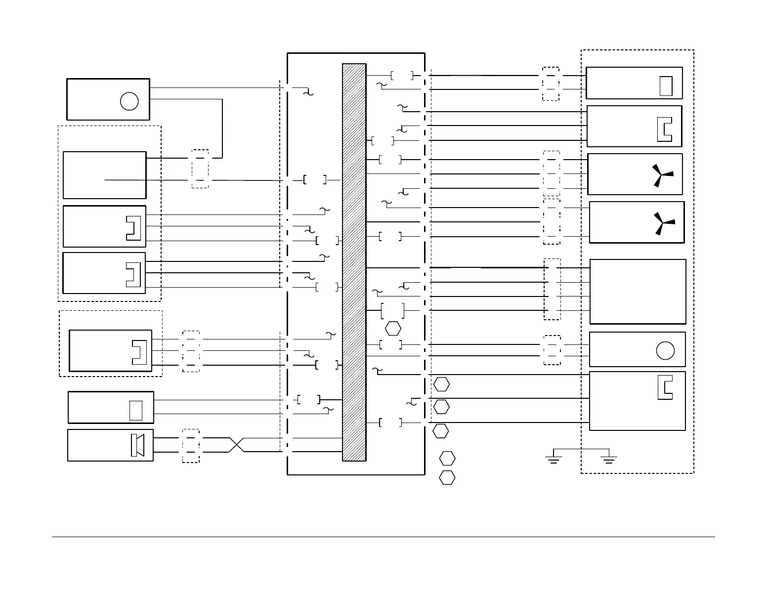
Wiring Diagrams
Wiring Data
Wiring Diagram 41 (4265)
Figure 41 WD 41 (4265)
&,7









*5<
75$<(/(9$7,1*
02725
027
3/
0$,13:%
3/
'83/(;-$06(1625
4
3/
(19(/23(02725
027
3/
(19(/23(6(1625
4
3/
'83/(;)(('&/87&+
&/
3/
9287,'6(1
9
9
9
&1
9
&1
,'6(1/('
9
9
5(/($6(075
5(/($6(075
9
9
9
(1(5*,6('/9
75$<)(('$66(0%/<
3/
75$<83/,0,7
6:,7&+
3/




027
,'6(1625
4
3/
9
9




'83/(;)$1

3/



'83/(;)$1

3/
'83/(;)$1
'83/(;)$1)%
9










9
9
3$3(56(16('/9
9
9
9

6,'(&29(5$66(0%/<
3/
9
75$<(037<+9
75$<3$3(5(037<
6(1625
4
3/
9
9
9
9
3$3(535(6(17
/9
%<3$663$3(5(037<
6(1625
4
3/
9
9
9
&1
3$3(575$163257$66(0%/<
3/
%<3$66)(('&/87&+
&/
3/
9
9
(1(5*,6('/9
63($.(5
3/
63.
63.
027
*5<
%/.
(/(902725
*5<
%/.
*5<
*5<
*5<

9
75$<83+9
75$<67$&.+(,*+7
6(1625
4
3/
9
9
*5<
*5<
*5<

9
*5<
*5<
%/.

%/.
*5<
*5<

*5<RU%/.
*5<
%/.
*5<




9
%/.
*5<
*5<
*5<
*5<
*5<
*5<
*5<
*5<
*5<
*5<
*5<
*5<
*5<
*5<
*5<
*5<
%/.
%/8
5('
%/.
5('
9
'83/(;)$1
'83/(;)$1)%
%/.
%/.
%/.
:+7
*5<
*5<
*5<
*5<
%/.
*5<
*5<
*5<
*5<
*51
6(16(/,1(


,'6(1625212))
,'6(16255($',1*


*5<RU%/.
%/.RU*5<
%/.RU*5<

9
BLK

Table of Contents

Other manuals for Xerox WorkCentre 4265

Related product manuals