EasyManua.ls Logo

YASKAWA iQpump1000 - Flange Type Models 2 A0250 and 2 A0312, 4 A0208, and 5 A0125 and 5 A0145

YASKAWA iQpump1000
508 pages
Print Icon
To Next Page IconTo Next Page
To Next Page IconTo Next Page
To Previous Page IconTo Previous Page
To Previous Page IconTo Previous Page
Loading...
u
Flange Type Models 2A0250 and 2A0312, 4A0208, and 5A0125 and 5A0145
n
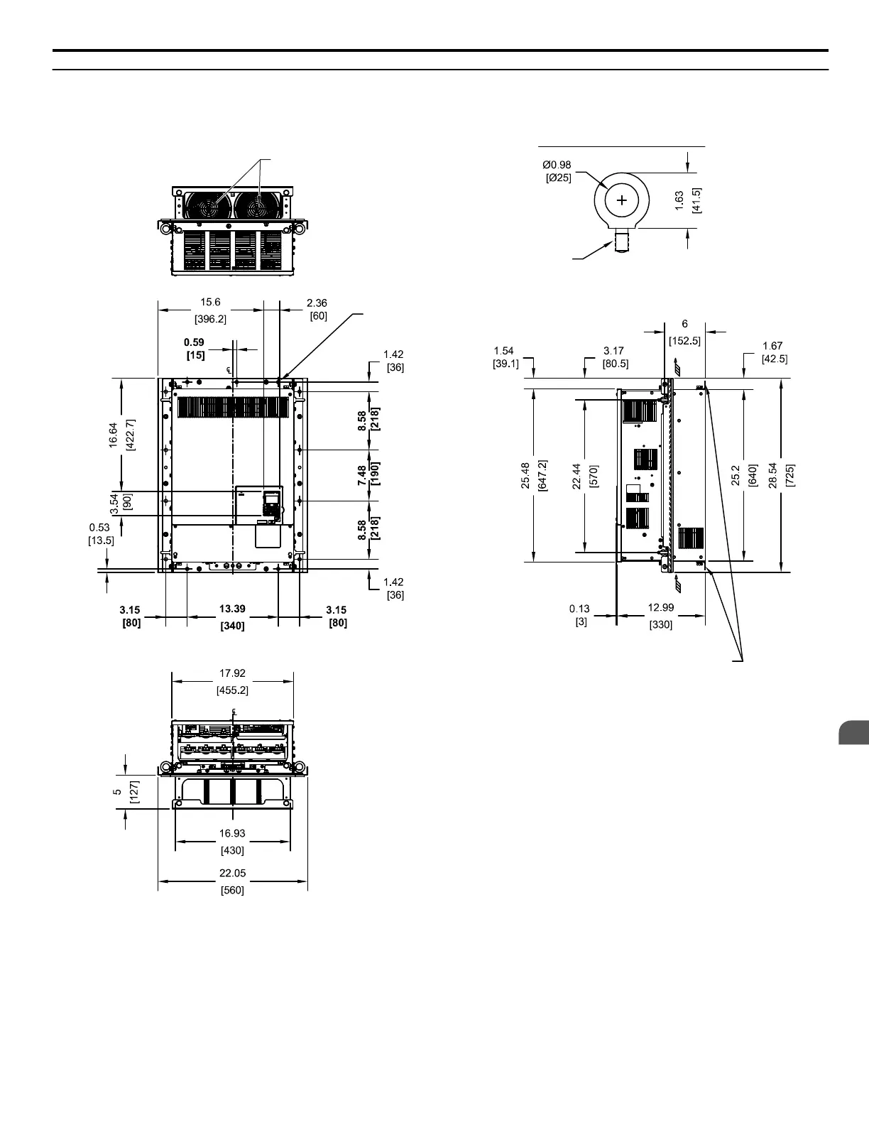
Flange Type Exterior and Mounting Dimensions
Unit: in. [mm]
(13)-MOUNTING HOLES
FOR 3/8 in. [M10] SCREWS
M100 THREAD
FRONT VIEW
AIR
AIR
(2) MOUNTING BRACKETS
USED DURING TRANSPORT ONLY
REMOVE BEFORE INSTALLING
(2) EXTERNAL
COOLING FANS
NOTE: Spreader bar required to avoid damage during lifting.
LIFTING AND EYEBOLT DETAILS
HORIZONTAL MOUNTING DIM
NOTE: Maximum surrounding air temperature is 50 °C (122 °F)
VERTICAL MOUNTING DIMVERTICAL MOUNTING DIMVERTICAL MOUNTING DIM
HORIZONTAL MOUNTING DIM HORIZONTAL MOUNTING DIMHORIZONTAL MOUNTING DIM
Figure 2.35 Models 2A0250 and 2A0312, 4A0208, and 5A0125 and 5A0145
2.2 Flange Type Enclosure (NEMA 12 Backside) Dimensions & Heat Loss
YASKAWA TOEP YAIP1W 01F YASKAWA AC Drive - iQpump1000 User Manual
79
2
Mechanical Installation

Table of Contents

Other manuals for YASKAWA iQpump1000

Related product manuals