EasyManua.ls Logo

ABB ACS180 - Page 161

ABB ACS180
392 pages
Print Icon
To Next Page IconTo Next Page
To Next Page IconTo Next Page
To Previous Page IconTo Previous Page
To Previous Page IconTo Previous Page
Loading...
Parameters 161
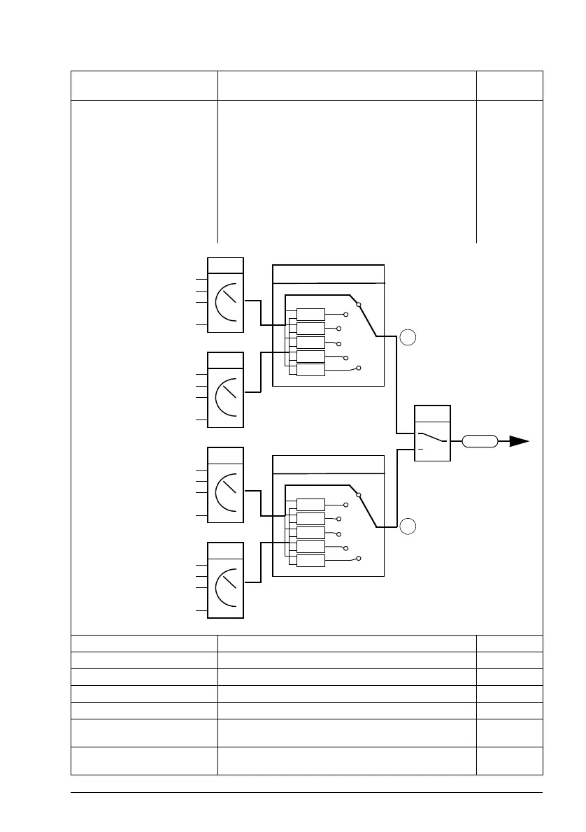
22.11 Ext1 speed ref1 Selects Ext1 speed reference source 1.
Two signal sources can be defined by this parameter and
22.12 Ext1 speed ref2. A mathematical function (22.13
Ext1 speed function) applied to the two signals creates an
Ext1 reference (A in the figure below).
A digital source selected by 19.11 Ext1/Ext2 selection can
be used to switch between Ext1 reference and the
corresponding Ext2 reference defined by parameters
22.18 Ext2 speed ref1, 22.19 Ext2 speed ref2 and 22.20
Ext2 speed function (B in the figure below).
Note: The default value depends on the selected macro.
See Control macros on page 27.
AI1 scaled
Zero None. 0
AI1 scaled 12.12 AI1 scaled value.1
AI2 scaled 12.22 AI2 scaled value.2
EFB ref1 03.09 EFB reference 1.8
EFB ref2 03.10 EFB reference 2.9
Motor potentiometer 22.80 Motor potentiometer ref act (output of the motor
potentiometer).
15
PID 40.01 Process PID output actual (output of the process
PID controller).
16
No. Name/Value Description Default
FbEq 16
19.11
1
0
22.13
MUL
SUB
ADD
MIN
MAX
22.11
22.12
22.86
0
AI
FB
Other
0
AI
FB
Other
Ref1
22.20
MUL
SUB
ADD
MIN
MAX
22.18
22.19
0
AI
FB
Other
0
AI
FB
Other
Ref1
A
B
Ext1
Ext2
ACS180 FW.book Page 161 Tuesday, March 9, 2021 2:25 PM

Table of Contents

Other manuals for ABB ACS180

Related product manuals