EasyManua.ls Logo

ABB SensyMaster FMT430 - Page 59

ABB SensyMaster FMT430
160 pages
Print Icon
To Next Page IconTo Next Page
To Next Page IconTo Next Page
To Previous Page IconTo Previous Page
To Previous Page IconTo Previous Page
Loading...
SensyMaster FMT430, FMT450 THERMAL MASS FLOWMETER | OI/FMT430/450-EN REV. B 59
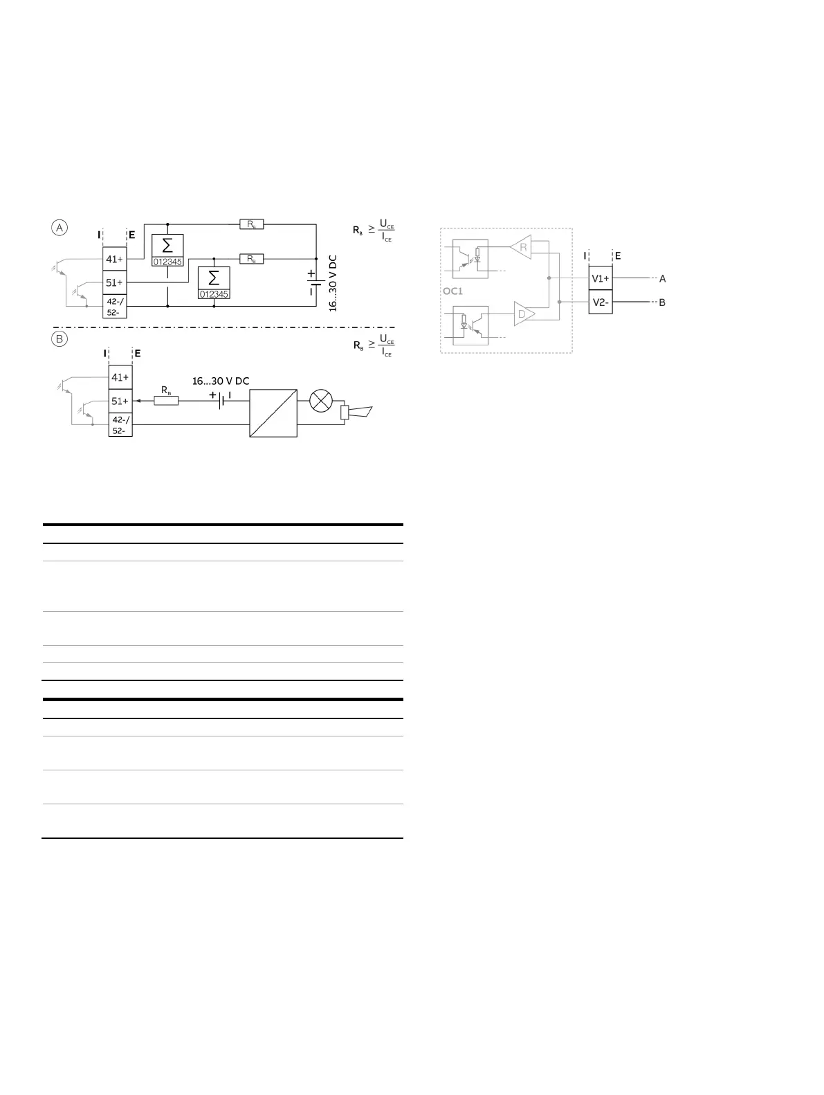
Digital output 41 / 42, 51 / 52 (basic device)
Can be configured as pulse, frequency or binary output via on-
site software.
A
Digital output 41 / 42, 51 / 52 passive as a pulse of frequency output
B
Passive digital output 51 / 52 as binary output
Figure 46: (I = internal, E = external, R
B
= load)
Pulse / frequency output (passive)
Terminals
41
/ 42, 51 / 52
Output ‘closed’
0
V U
CEL
3 V
For f
< 2.5 kHz: 2 mA < I
CEL
< 30 mA
For f > 2.5 kHz: 10 mA < I
CEL
< 30 mA
Output ‘open’
16
V U
CEH
30 V DC
0 mA
I
CEH
0.2 mA
f
max
10.5 kHz
Pulse width
0.1
to 2000 ms
Binary output (passive)
Terminals
41 / 42, 51 / 52
Output ‘closed’
0
V U
CEL
3 V
2 mA I
CEL
30 mA
Output ‘open’
16
V U
CEH
3 V DC
0 mA
I
CEH
0.2 mA
Switching function
Can be configured using software.
Menu: Input/Output on page 113
Note
Terminals 42 / 52 have the same potential. Digital outputs
DO 41 / 42 and DO 51 / 52 are not electrically isolated from
each other. If an additional electrically isolated digital output
is required, a corresponding plug-in module must be used.
If you are using a mechanical counter, we recommend setting
a pulse width of ≥ 30 ms and a maximum frequency of
f
max
30 Hz.
Modbus® / PROFIBUS DP® interface V1 / V2 (plug-in card)
A Modbus or PROFIBUS DP interface can be implemented by
using the ‘Modbus RTU, RS485 (white)’ or ‘PROFIBUS DP, RS485
(white)’ plug-in cards.
Figure 47: Plug-in card as a Modbus / PROFIBUS DP interface (I = internal, E = external)
The corresponding plug-in card can only be used in slot OC1.
For information on communication through the Modbus or
PROFIBUS DP protocols, refer to chapters Modbus®
communication on page 69 and PROFIBUS DP® communication
on page 70.

Table of Contents

Related product manuals