EasyManua.ls Logo

Anritsu S412E - 7-4 Master Software Tools

Anritsu S412E
150 pages
Print Icon
To Next Page IconTo Next Page
To Next Page IconTo Next Page
To Previous Page IconTo Previous Page
To Previous Page IconTo Previous Page
Loading...
Anritsu PC Software Tools 7-4 Master Software Tools
S412E UG PN: 10580-00318 Rev. P 7-3
7-4 Master Software Tools
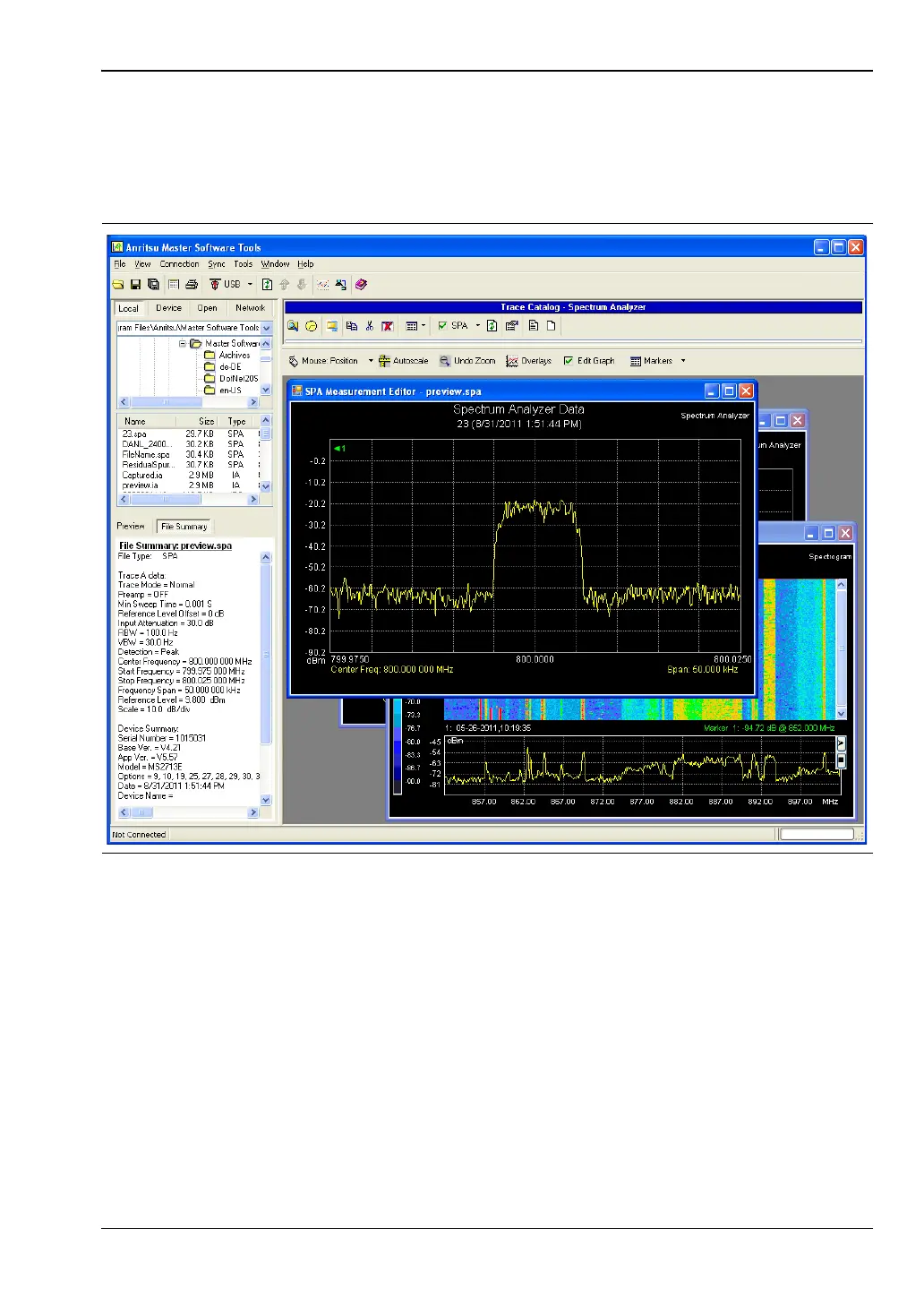
Anritsu Master Software Tools is a PC program for transferring and editing saved
measurements, markers, and limit lines to a PC. MST is recommended for Spectrum
Analyzer instruments or instruments that perform spectrum analysis measurements.
Figure 7-3. Master Software Tools

Table of Contents

Other manuals for Anritsu S412E

Related product manuals