EasyManua.ls Logo

artisan 8640B - Pulse Measurements

artisan 8640B
411 pages
Print Icon
To Next Page IconTo Next Page
To Next Page IconTo Next Page
To Previous Page IconTo Previous Page
To Previous Page IconTo Previous Page
Loading...
Model 8640B TM 9-4935-601-14-7&P
PERFORMANCE TESTS
4-36. PULSE MODULATION TEST (Cont'd)
PROCEDURE:
1. Connect equipment as shown in Figure 4-22, with oscilloscope connected directly to test generator's RF OUTPUT,
after setting test Signal Generator's controls as follows:
Meter Function..........................................................................................LEVEL
COUNTER MODE: EXPAND ..........................................................................Off
LOCK ..............................................................................Off
Source ........................................................................... INT
AM........................................................................................................... PULSE
FM ...............................................................................................................OFF
RANGE ..............................................................................................0.5 -1 MHz
FREQUENCY TUNE..................................................................................1 MHz
OUTPUT LEVEL........................................................... -17 dBm (Vernier full cw)
RF ON/OFF ....................................................................................................ON
2. Set pulse generator for a repetition rate of 100 Hz, a pulse width of 10 us, and an amplitude of 1V.
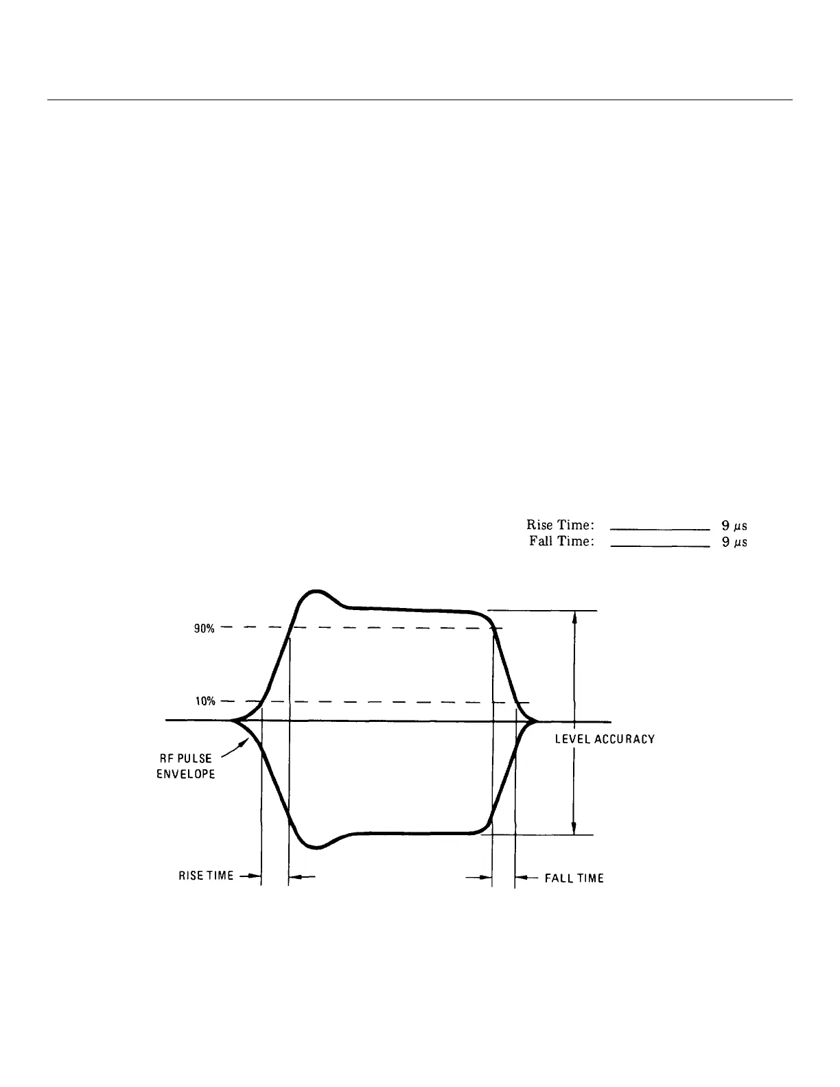
3. Adjust oscilloscope to display the RF pulse envelope. Readjust the pulse width for 10 us (measured at 50% amplitude
points) and measure the rise and fall times (see Figure 4-23). Both should be less than 9 Ps (measured between 10%
and 90% of the full pulse amplitude).
Figure 4-23. Pulse Measurements
4-58
Artisan Technology Group - Quality Instrumentation ... Guaranteed | (888) 88-SOURCE | www.artisantg.com

Table of Contents