EasyManua.ls Logo

artisan 8640B - A17 Power Supply Mother Board Assembly Component Locations; Power Supply Mother Board Schematic Diagram

artisan 8640B
411 pages
Print Icon
To Next Page IconTo Next Page
To Next Page IconTo Next Page
To Previous Page IconTo Previous Page
To Previous Page IconTo Previous Page
Loading...
Model 8640B TM 9-4935-601-14-7&P
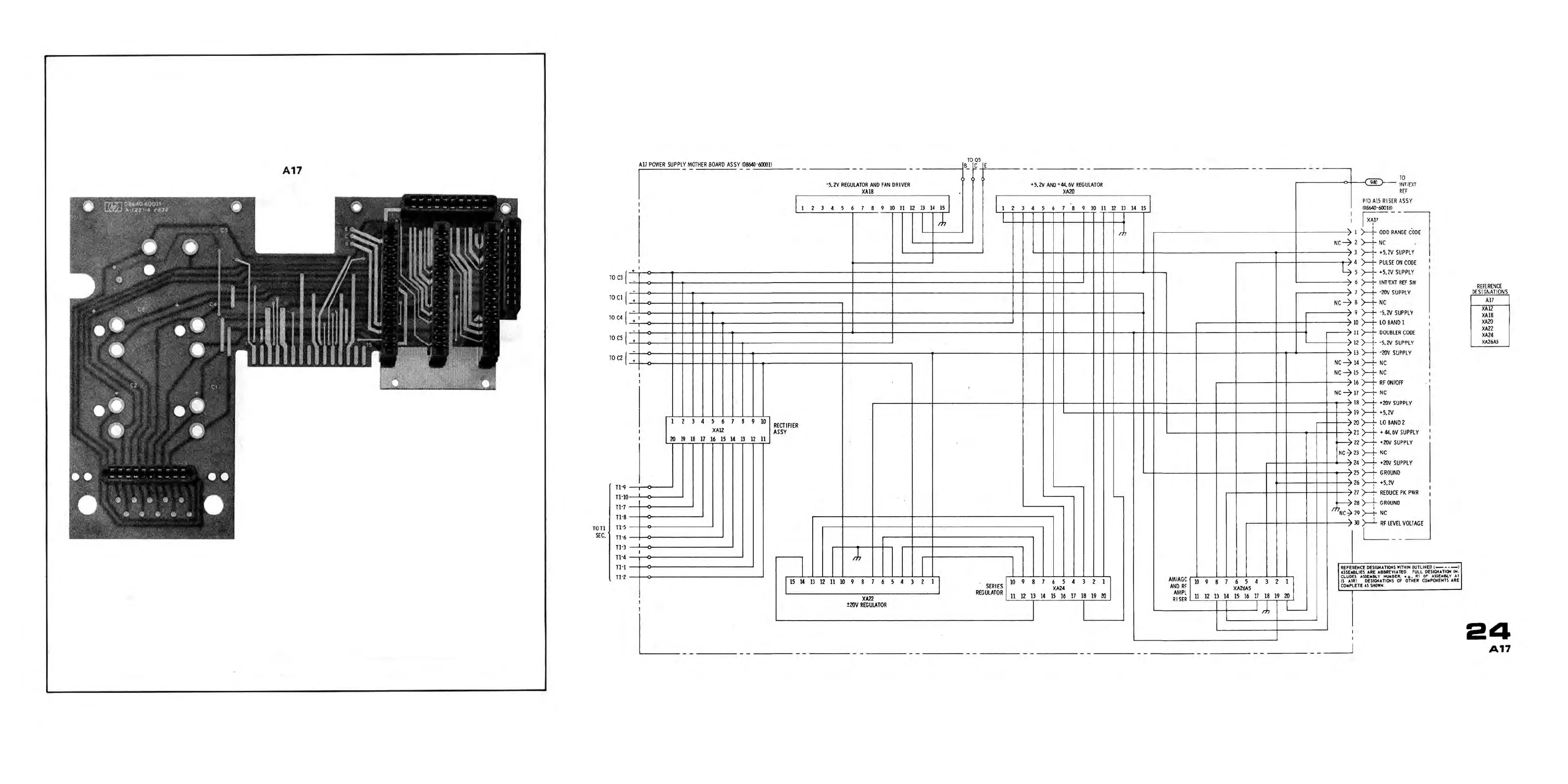
Figure 8-72. A17 Power Supply Mother Board Assembly Component Locations
Figure 8-73. Power Supply Mother Board Schematic Diagram
8-67
A17
Al7
POWER
SUPPL~
~OTHER
BOARD
ASSY_!0~-60001l
--
--
--
I
->.ZV
REGULATOR
AND
FAN
DRIVER
XAI8
14
15
J
s 6 7 8 9
10
11
12
13
I
2 3
4
1
1
I
l
1
+
1
-
-
[ .
TO
Cl
-
[
+
I
TO
C4
TO
C5
-
[ +
-
[ .
TOCZ
I
1
r:
2 3
4
5 6
7
8 9
10
1
RECTIFIER
XA12
ASSY
I
17
16 15
14
13
12
11
I
19
18
I
1•9
1•10
n-7
I
n-a
TOT!
n-5-
SEC.
n-6
),
r
TJ-3
n
I
Tl-4
.,
~
I I
TJ-1
~
7
6 5
4
3 2
r~5
14
1312
11
10
9
8
T]-2
XA22
!20V
REGULATOR
I
I
L
__
_
--
--
,"l~--
--
--
5
.zv
AND
•44.
6V
REGULATOR
XA20
6
7
8
q
10
11
12
13
14
15
I 2 3 4 5
I
I !
J
I
I
.__,
I
6 5 4 3 2
'j
AMIAGC
lQ
9 8
7 9
8
7
6
5
4
3 2
~J
AND
RF
XA26A5
fo
AMP
L
15
16
17
18
19
20
SERIES
XA24
11
12
13
14
REGULATOR
11
15
16
17
18
w
RISER
J
,h
L
12
13 14
---
I
940
PIO
Al5
Rl
SER
1
08640-600181
TO
INT
:
EXT
REF
ASSY
I
~-
I
--"!
>-+ODD
R
NC--7
1
>-+
NC
.~::l
SUP·P
~
:~-
I
~
3
>-+
+5.2V
..::..
4
>-+
PULS
~
5
>-+
•5.2
EON
CODE
V
SUPPL
Y
XT
REF
SW
SUP
P
LY
--'>.
6
)-t-
INT
fE
'7
>-+
·20V
NC
-7 g
>-+
NC
9
>-+
-5.2
_;:
10
>-+
LO
B
V
SUPPLY
AND
I
BLER
CODE
V
SUPPLY
/ 1
~11>--t
DOU
..::.
1
z)--t--s
.z
-"13>-+-
20V
SUPPLY
NC
-7
14
>-+
NC
NC
-7 15
>--:
NC
-'> 16
)--j-
RF
/ '
ON/
O
FF
NC
-7
17
)--j-
NC
-'>18
>-+.
20V
SUPPLY
--"19
>-+
•5
.2V
BAND
2
..::..
20
>--+
LO
-'>21>-+.
t----722>-f
NC-)
23
)-t-
N
44.6V
SUPPLY
20V
SU
PPLY
c
~24
>-+
+
20V
SUP
P
LY
~
25
>--+
G
ROU
ND
_:,.
26
>--+
+
5.ZV
-"
27
>-+
REDUCE
PK
PWR
i:---728>-+
mNC~
29
>--+
'30
)-l..
:~:,~·~·
I
L_
__
r
REFERENCE
DEll
ASSENBI.JES
ARE
CI..UDES
J.SSEilBL
IS
,t.IRI
DESI
COMPLETE
,&.5
~0
1
1
__j
REF
E
RENCE
DES
I
GI\AT
IO
NS
All _
X
AI2
XA18
XAZO
XA22
XA24
XA26A5
24
A17
Artisan Technology Group - Quality Instrumentation ... Guaranteed | (888) 88-SOURCE | www.artisantg.com

Table of Contents