EasyManua.ls Logo

artisan 8640B - A8 A1 RF Scaler Assembly Backdating (Change E)

artisan 8640B
411 pages
Print Icon
To Next Page IconTo Next Page
To Next Page IconTo Next Page
To Previous Page IconTo Previous Page
To Previous Page IconTo Previous Page
Loading...
Model 8640B TM 9-4935-601-14-7&P
MANUAL CHANGES
CHANGE E (cont'd)
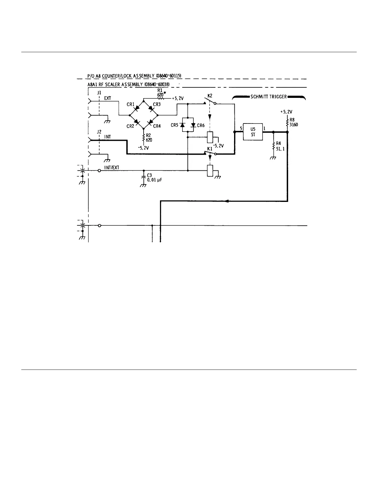
Figure 7-5. A8A1 RF Scaler Assembly Backdating (Change E).
CHANGE F
Page 6-13, Table 6-3:
Delete A8A1C7.
Service Sheet 18 (schematic):
Delete A8A1C7.
Service Sheet 22 (schematic):
Replace appropriate portion of schematic with attached partial schematic (Figure 7-6).
7-18
Artisan Technology Group - Quality Instrumentation ... Guaranteed | (888) 88-SOURCE | www.artisantg.com

Table of Contents