EasyManua.ls Logo

artisan 8640B - Meter Circuits Schematic Diagram; P;O A6 Annunciator Assembly Component Locations

artisan 8640B
411 pages
Print Icon
To Next Page IconTo Next Page
To Next Page IconTo Next Page
To Previous Page IconTo Previous Page
To Previous Page IconTo Previous Page
Loading...
Model 8640B TM 9-4935-601-14-7&P
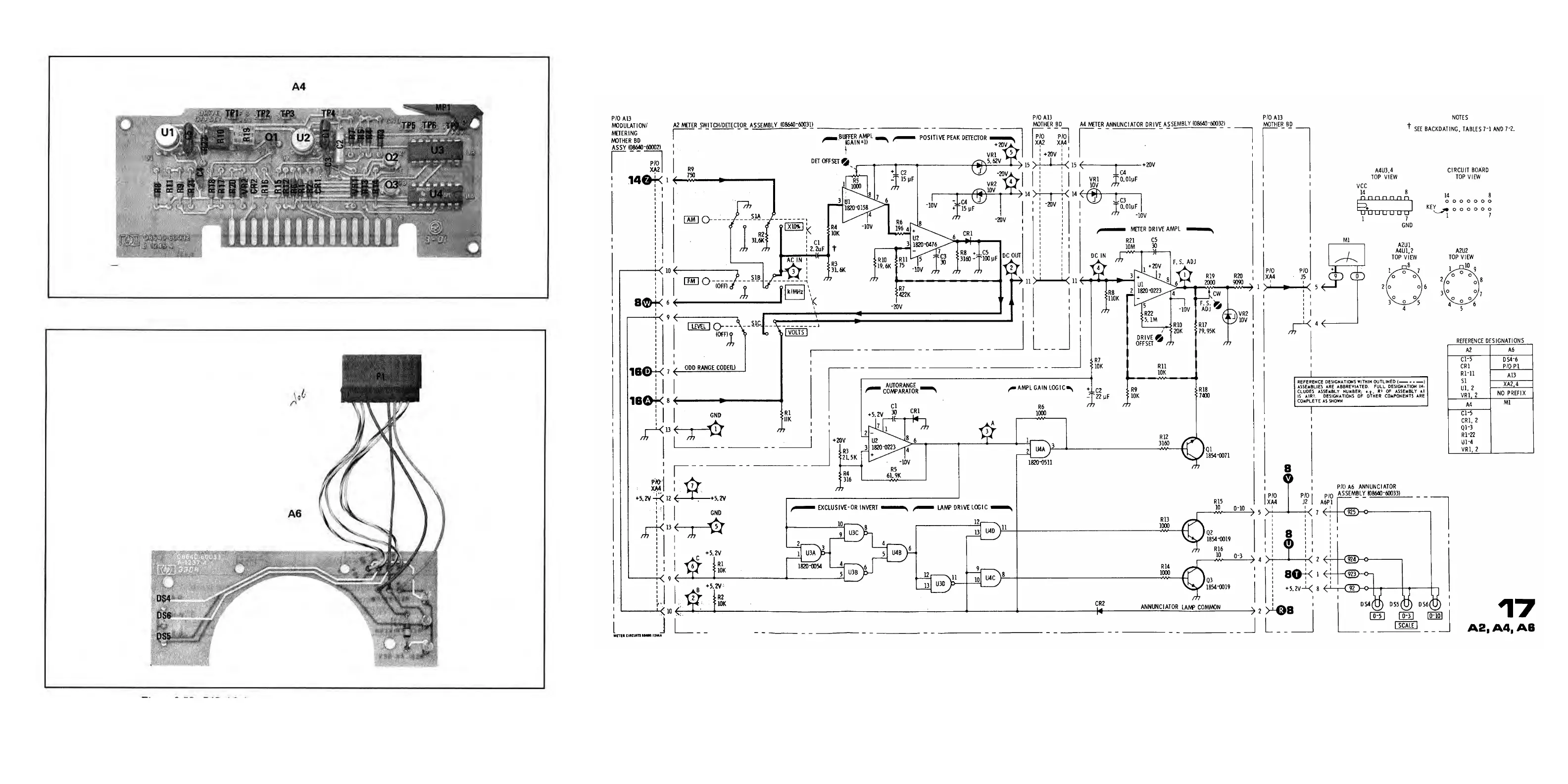
Figure 8-52. A4 Meter/Annunciator Drive Assembly Component Locations
Figure 8-53. P/O A6 Annunciator Assembly Component Locations
Figure 8-54. Meter Circuits Schematic Diagram
8-53
Artisan Technology Group - Quality Instrumentation ... Guaranteed | (888) 88-SOURCE | www.artisantg.com

Table of Contents