EasyManua.ls Logo

artisan 8640B - Power Supply Circuits Schematic Diagram

artisan 8640B
411 pages
Print Icon
To Next Page IconTo Next Page
To Next Page IconTo Next Page
To Previous Page IconTo Previous Page
To Previous Page IconTo Previous Page
Loading...
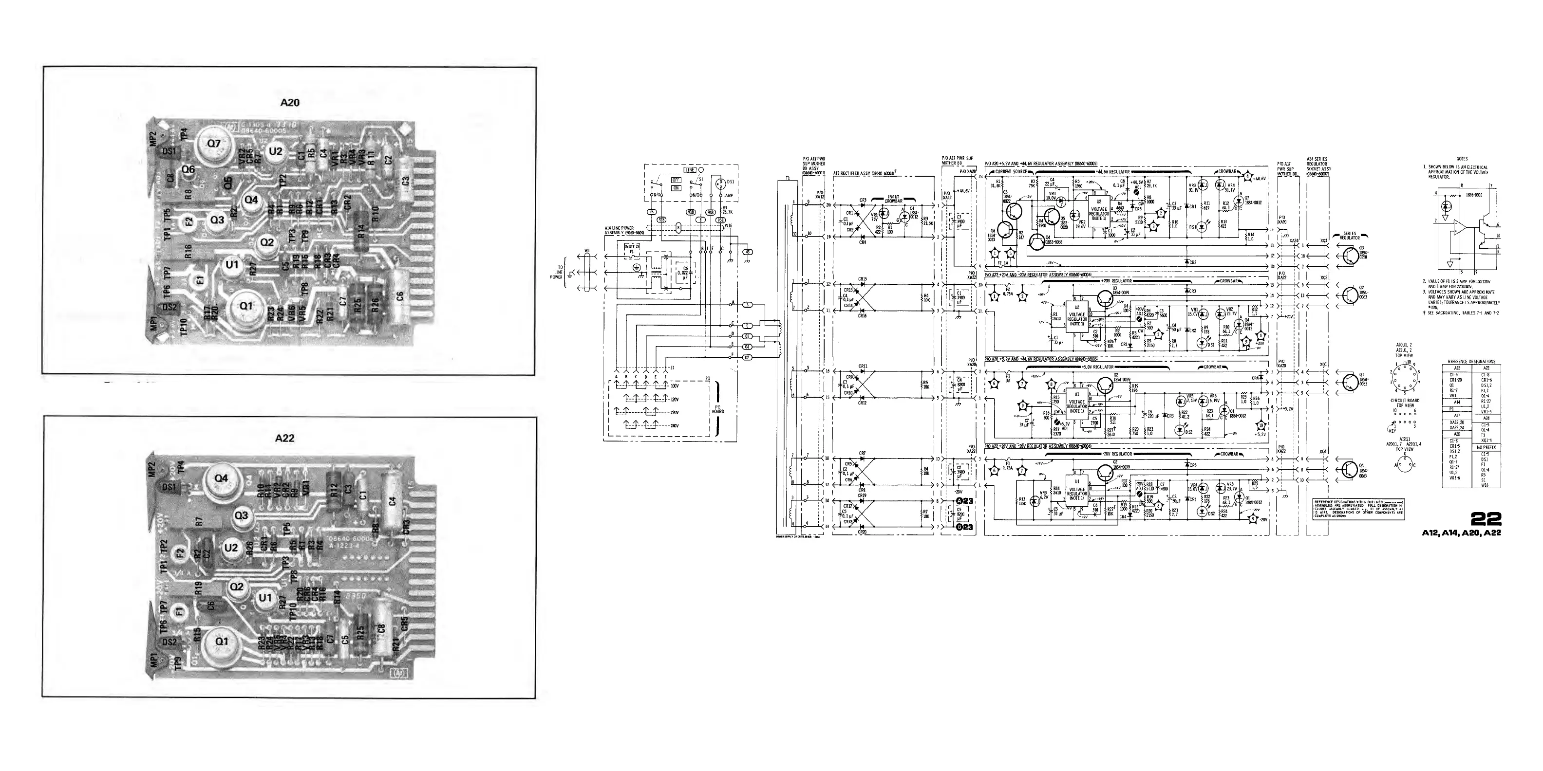
Model 8640B TM 9-4935-601-14-7&P
Figure 8-67. A20 + 5.2 V and + 44.6V Regulator Assembly Component Locations
Figure 8-68. A22+20V and -20V Regulator Assembly Component Locations
Figure 8-69. Power Supply Circuits Schematic Diagram.
8-63
Artisan Technology Group - Quality Instrumentation ... Guaranteed | (888) 88-SOURCE | www.artisantg.com

Table of Contents